Curiosii for ever!
: Car repair manuals for everyone.
Home
>>
Toyota
>>
2000
>>
Echo L4-1.5L (1NZ-FE)
>>
Repair and Diagnosis
>>
Diagrams
>>
Exploded Views
>>
Engine
>>
Timing Chain
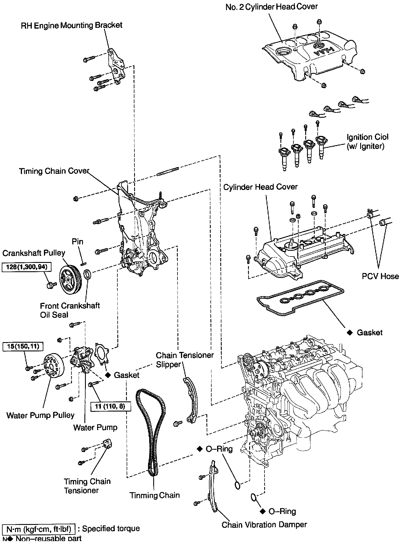
Timing Chain
TIMING CHAIN
REPLACEMENT W/ RELATED COMPONENTS
Part 1 Of 2:
Part 1 of 2
Part 2 Of 2:
Part 2 of 2