Curiosii for ever!
: Car repair manuals for everyone.
Home
>>
Toyota
>>
2000
>>
Echo L4-1.5L (1NZ-FE)
>>
Repair and Diagnosis
>>
Diagrams
>>
Exploded Views
>>
Engine
>>
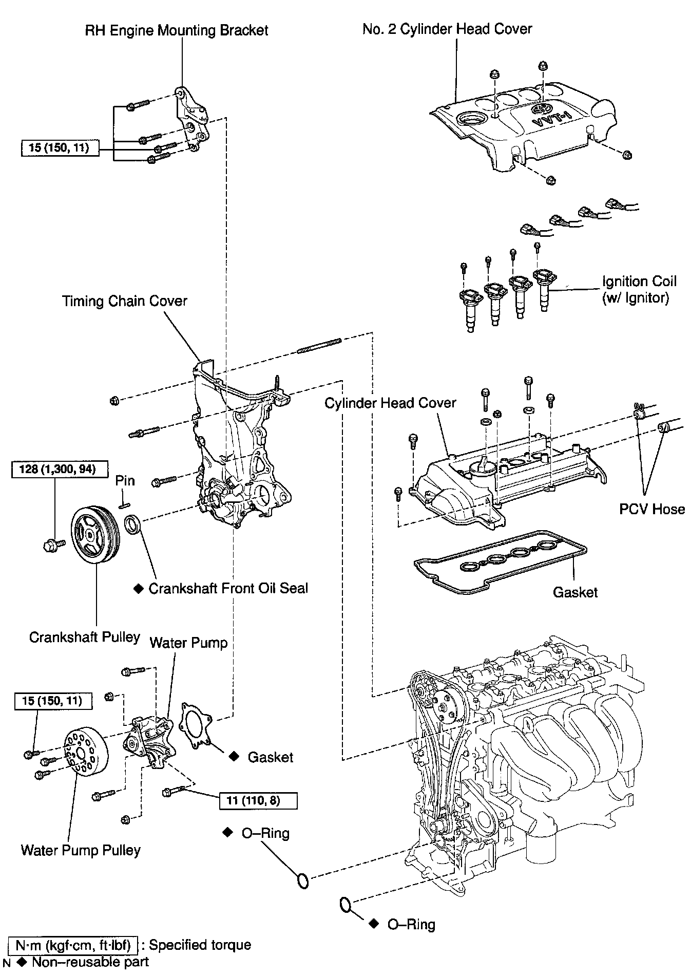
Oil Pump, Engine
Oil Pump, Engine
OIL PUMP REPLACEMENT AND OVERHAUL W/ RELATED COMPONENTS
Part 1 Of 3:
Part 1 of 3
Part 2 Of 3:
Part 2 of 3
Part 3 Of 3:
Part 3 of 3