Curiosii for ever!
: Car repair manuals for everyone.
Home
>>
Toyota
>>
2000
>>
Corolla LE Sedan L4-1.8L (1ZZ-FE)
>>
Repair and Diagnosis
>>
Powertrain Management
>>
Computers and Control Systems
>>
Locations
>>
Connector Locations
Connector Locations
JUNCTION BLOCK AND WIRE HARNESS CONNECTOR
Instrument Panel J/B:
FIG 22
Instrument Panel J/B:
FIG 23
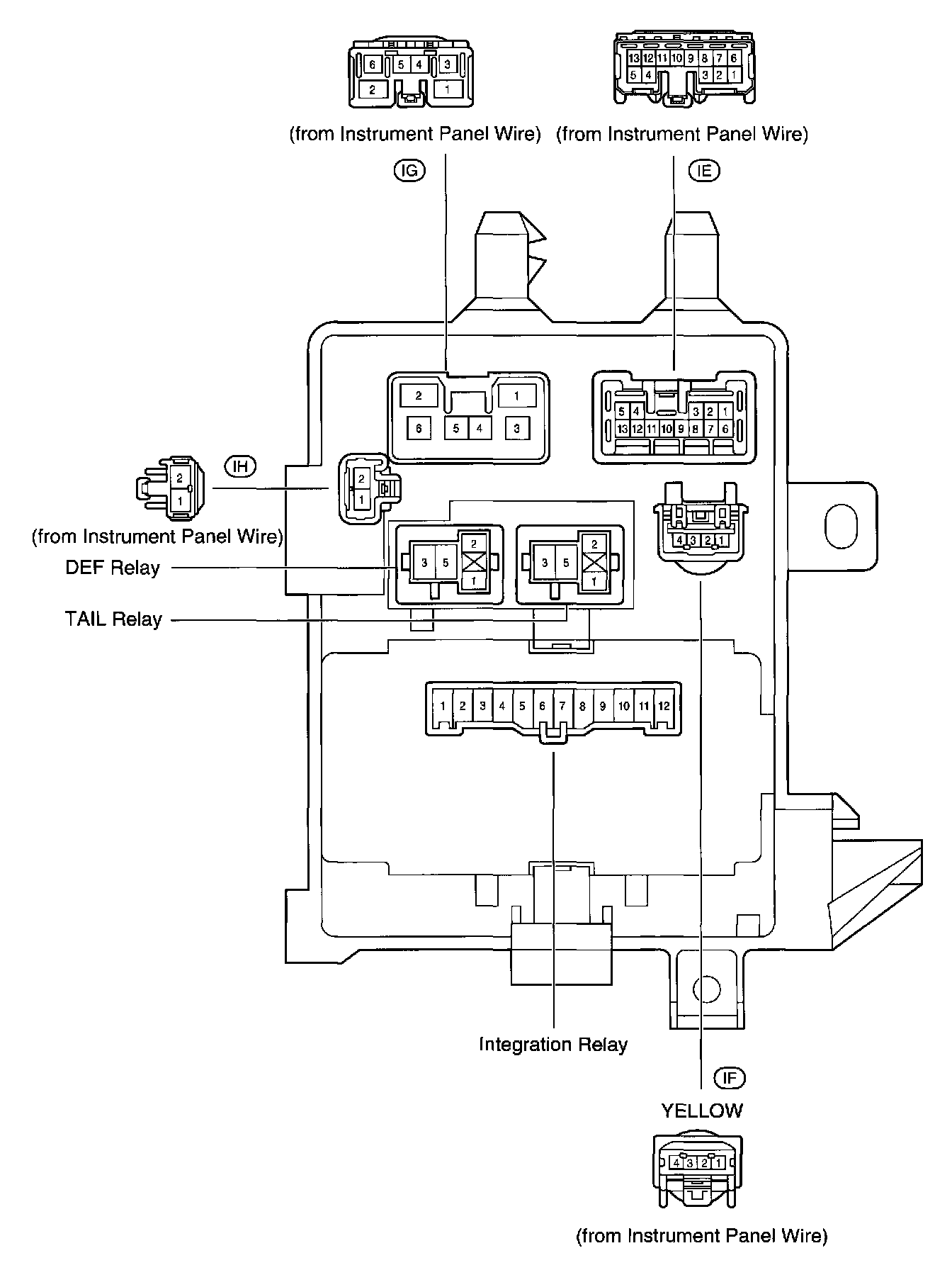
Driver Side J/B:
FIG 24
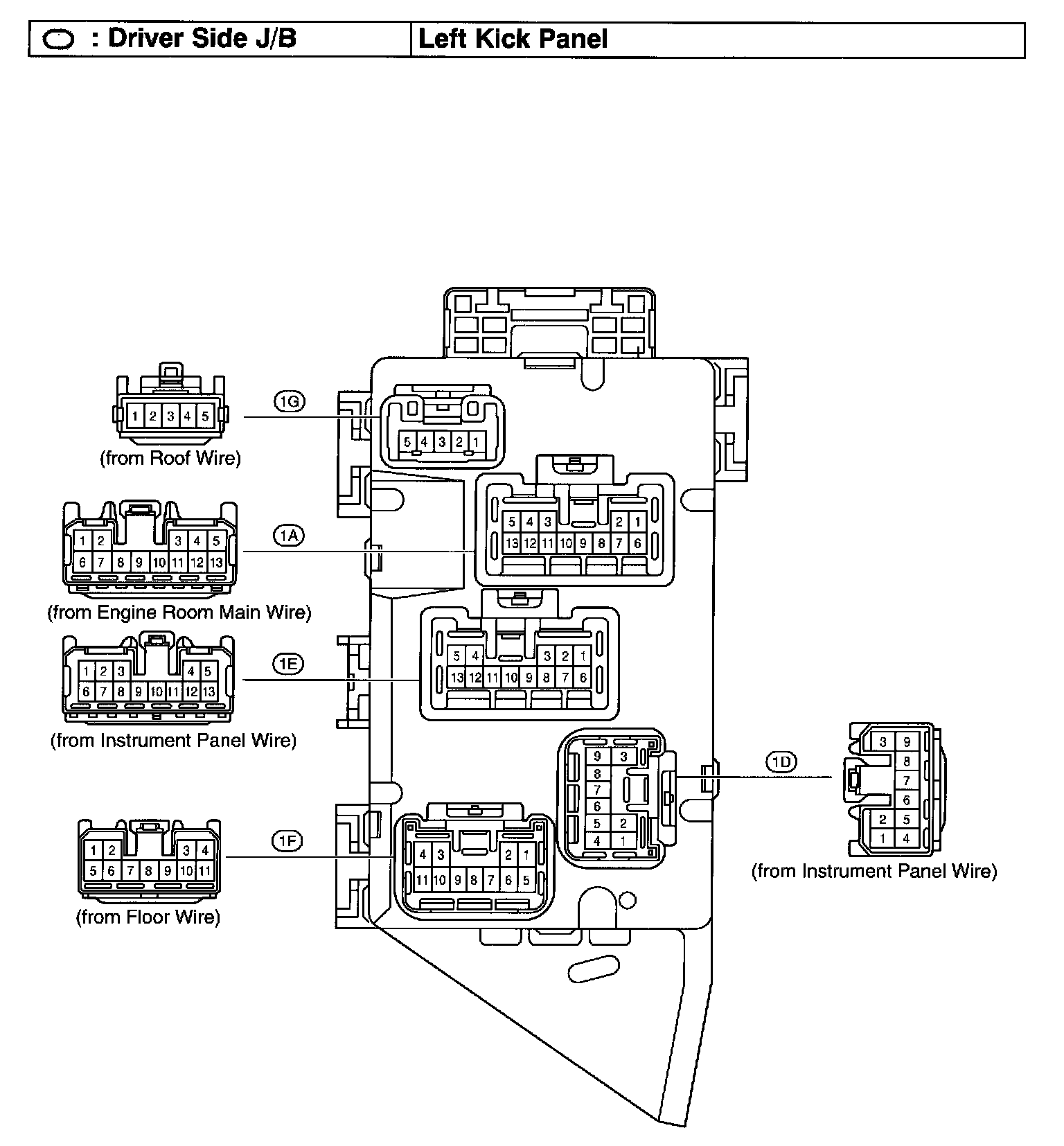
Driver Side J/B:
FIG 25
Engine Room J/B:
FIG 27
Center J/B:
FIG 28