Curiosii for ever!
: Car repair manuals for everyone.
Home
>>
Toyota
>>
2000
>>
Corolla LE Sedan L4-1.8L (1ZZ-FE)
>>
Repair and Diagnosis
>>
Diagrams
>>
Exploded Views
>>
Seats
Seats
Front Seat:
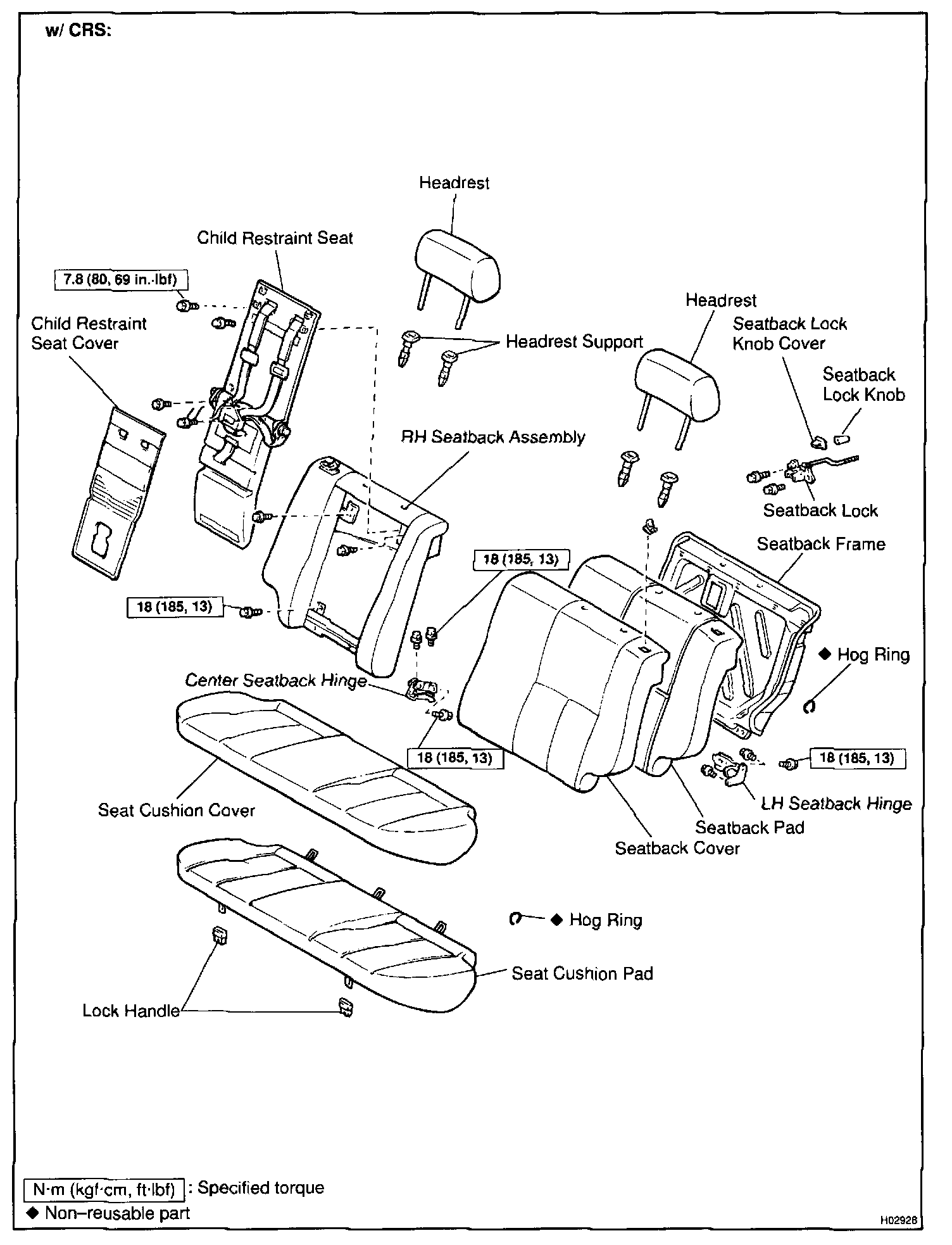
Rear Seat (Split Type):
Rear Seat (Split Type):
Rear Seat (Fixed Type):