Curiosii for ever!
: Car repair manuals for everyone.
Home
>>
Toyota
>>
2000
>>
Corolla LE Sedan L4-1.8L (1ZZ-FE)
>>
Repair and Diagnosis
>>
Cruise Control
>>
Cruise Control Switch
>>
Testing and Inspection
>>
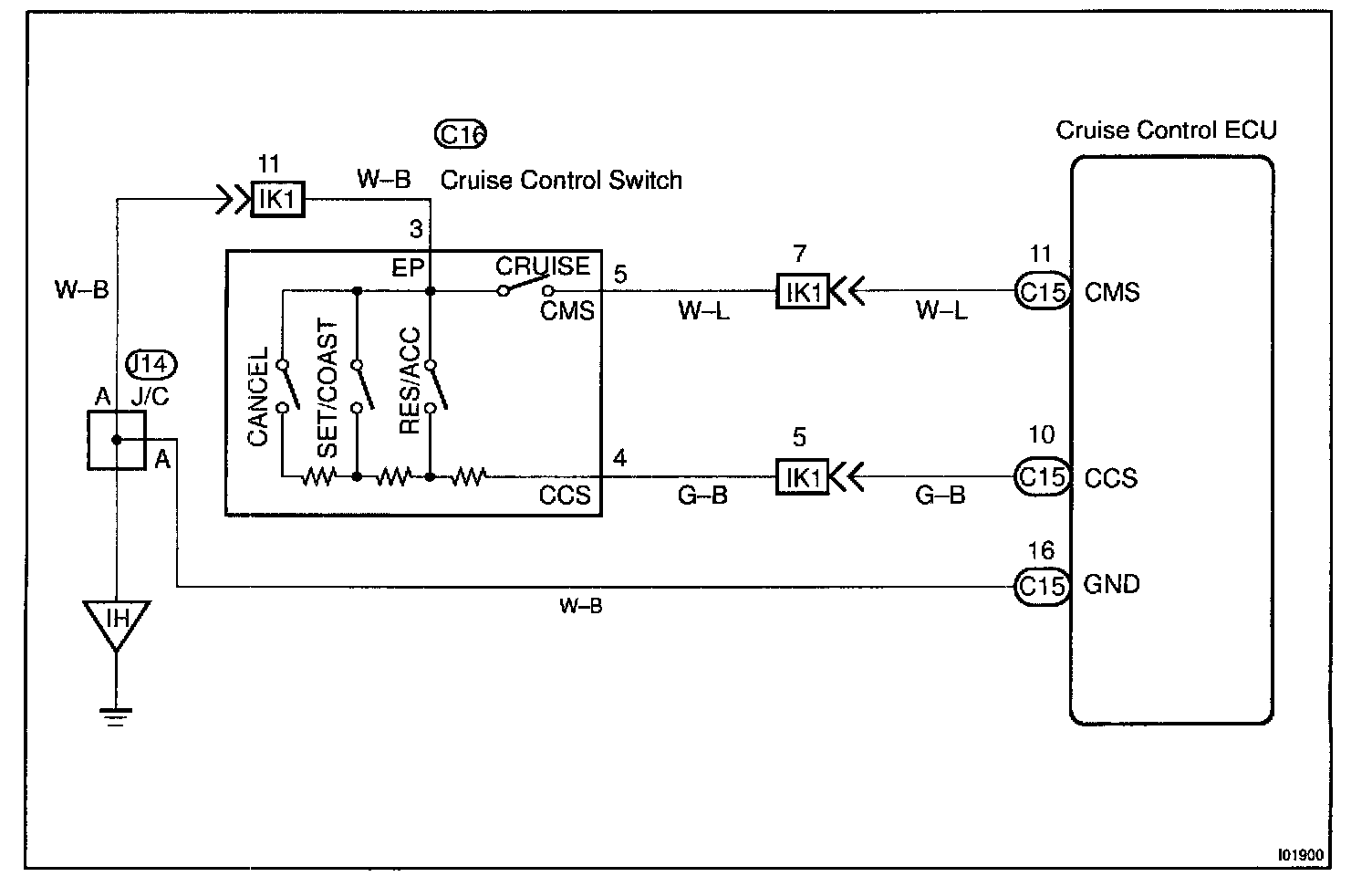
Main Switch Circuit (Cruise Control Switch)
Main Switch Circuit (Cruise Control Switch)
CIRCUIT DESCRIPTION
When the cruise control main switch is turned off, the cruise control does not operate.
Wiring Diagram:
Step 1:
Steps 2 - 3:
INSPECTION PROCEDURE