Curiosii for ever!: Car repair manuals for everyone.

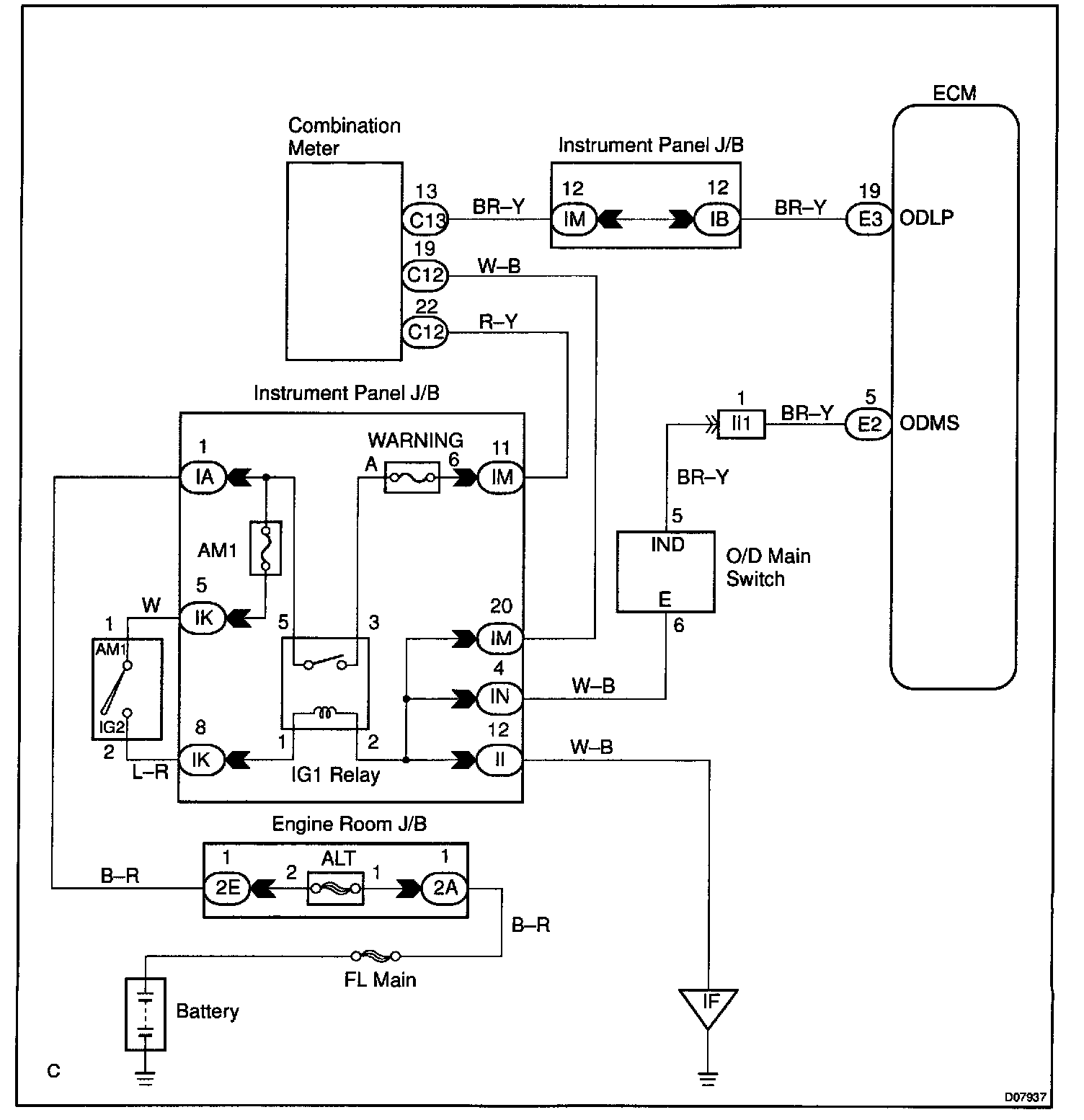
O/D Main Switch & O/D OFF Indicator Light Circuit

CIRCUIT DESCRIPTION
The O/D main switch is a momentary type switch. When pressing the O/D main switch, the O/D OFF indicator light lights up and ECM prohibits shifting to O/D, and when pressing it again, the O/D OFF indicator light goes off and ECM allows shifting to O/D. Turning the IG switch OFF will reset the O/D OFF indicator light.




WIRING DIAGRAM

Step 1:




Step 2:




Step 3:




Step 4:




Step 5:




INSPECTION PROCEDURE