Curiosii for ever!: Car repair manuals for everyone.

Knock Sensor: Testing and Inspection

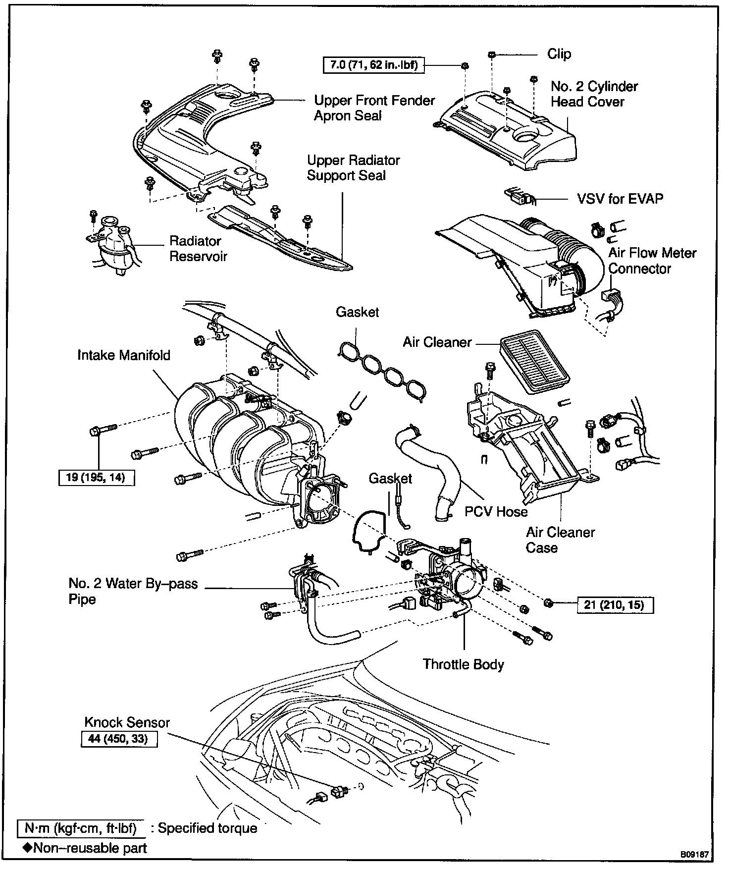
KNOCK SENSOR







COMPONENTS

INSPECTION
1. REMOVE THROTTLE BODY
2. REMOVE RADIATOR RESERVOIR
3. REMOVE INTAKE MANIFOLD




4. REMOVE KNOCK SENSOR
a. Disconnect the knock sensor connector.
b. Using SST, remove the knock sensor.
SST 09816-30010




5. INSPECT KNOCK SENSOR
Using an ohmmeter, check that there is continuity between the terminal and body.
If there is continuity, replace the sensor.

6. REINSTALL KNOCK SENSOR
a. Using SST, install the knock sensor.
SST 09816-30010
b. Connect the knock sensor connector.

7. REINSTALL INTAKE MANIFOLD
8. REINSTALL RADIATOR RESERVOIR
9. REINSTALL THROTTLE BODY