O/D Main Switch & O/D OFF Indicator Light Circuit
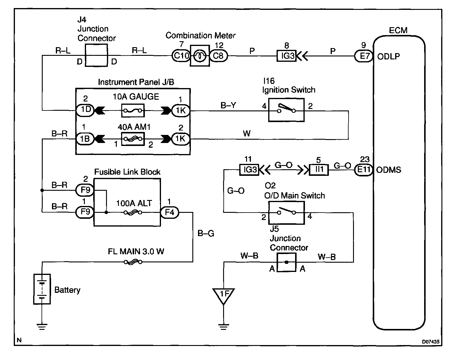
CIRCUIT DESCRIPTIONThe O/D main switch is a momentary type switch. When pressing the O/D main switch, the 0/DOFF indicator light lights up and ECM prohibits shifting to O/D, and when pressing it again, the O/D OFF indicator light goes off and ECM allows shifting to O/D. Turning the IG switch OFF will reset the O/D OFF indicator light.
WIRING DIAGRAM
Step 1:
Step 2:
Step 3:
Step 4:
Step 5:
INSPECTION PROCEDURE