Curiosii for ever!
: Car repair manuals for everyone.
Home
>>
Toyota
>>
2000
>>
Camry LE Sedan V6-3.0L (1MZ-FE)
>>
Repair and Diagnosis
>>
Diagrams
>>
Exploded Views
>>
Engine
>>
System Diagram
System Diagram
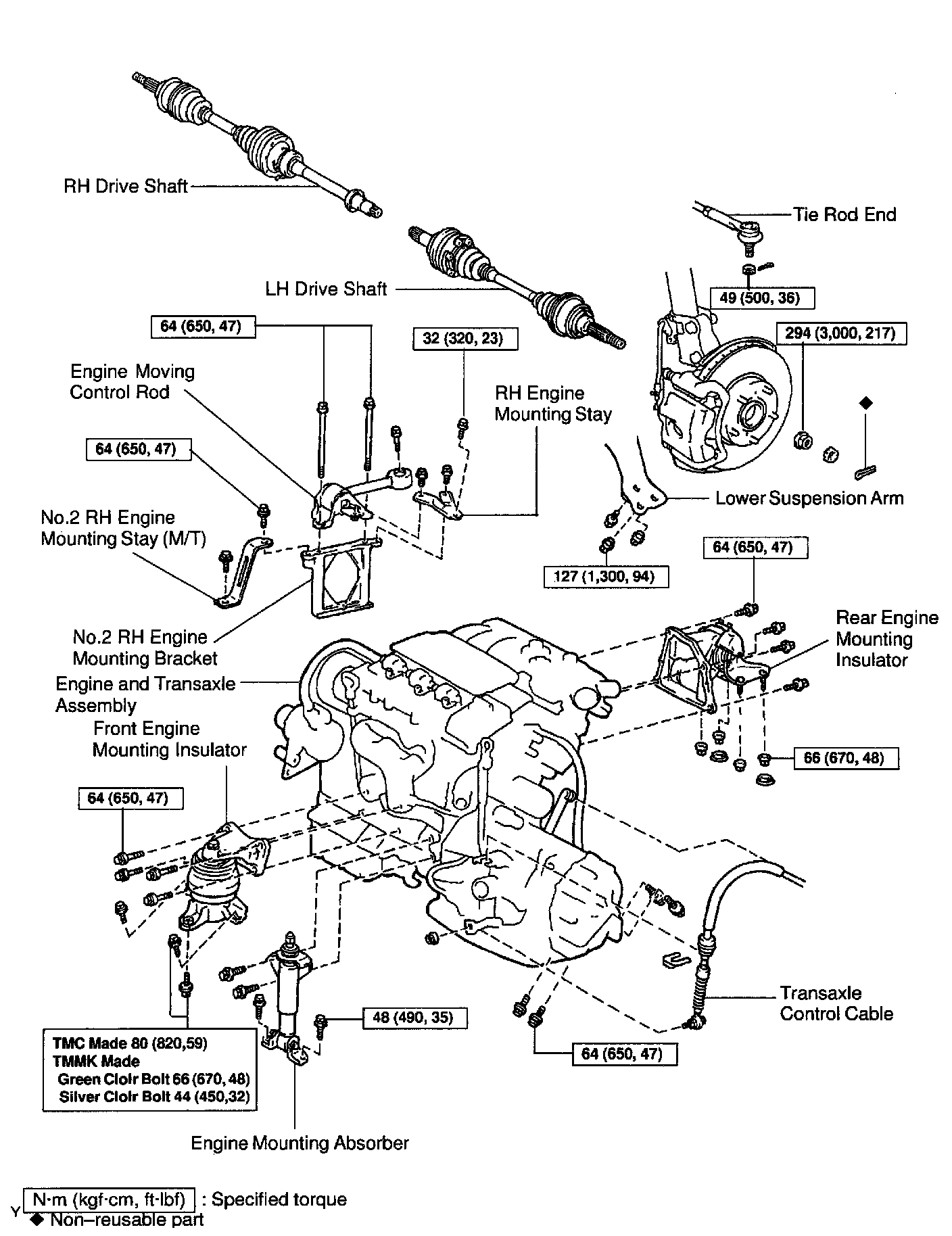
ENGINE UNIT COMPONENTS
Radiator And Various Engine Compartment Components:
Engine And Transaxles (Mounts And Axles):