Curiosii for ever!
: Car repair manuals for everyone.
Home
>>
Toyota
>>
2000
>>
Avalon XLS V6-3.0L (1MZ-FE)
>>
Repair and Diagnosis
>>
Powertrain Management
>>
Computers and Control Systems
>>
Relays and Modules - Computers and Control Systems
>>
Body Control Module
>>
Testing and Inspection
>>
Component Tests and General Diagnostics
>>
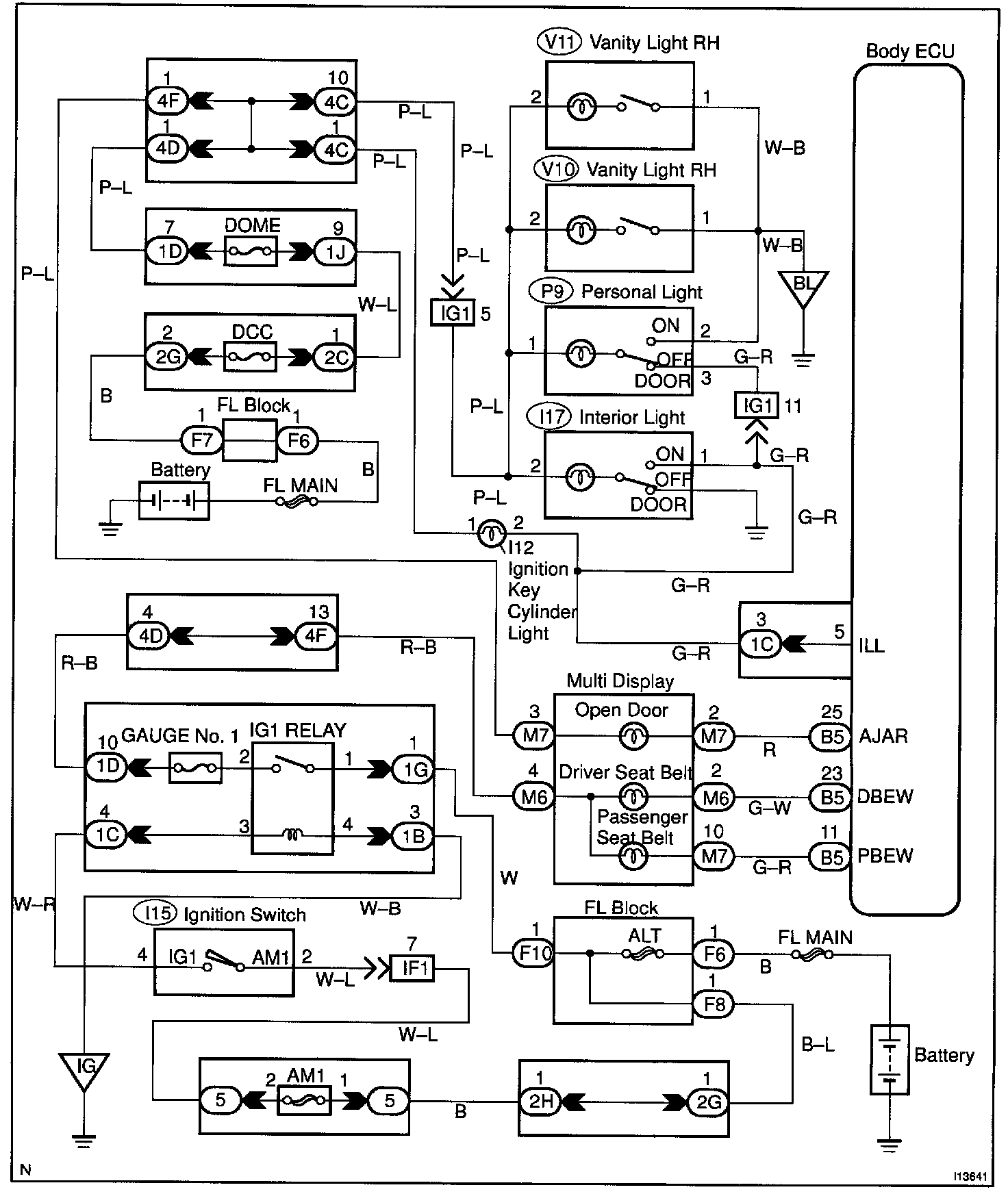
Illumination Circuit
Illumination Circuit
CIRCUIT DESCRIPTION
Receiving the courtesy signal from either of the door ECU, the Body ECU will make the interior light, ignition light, and foot light come on
Wiring Diagram:
Steps 1 - 2:
INSPECTION PROCEDURE