Curiosii for ever!
: Car repair manuals for everyone.
Home
>>
Toyota
>>
2000
>>
Avalon XLS V6-3.0L (1MZ-FE)
>>
Repair and Diagnosis
>>
Powertrain Management
>>
Computers and Control Systems
>>
Relays and Modules - Computers and Control Systems
>>
Body Control Module
>>
Testing and Inspection
>>
Component Tests and General Diagnostics
>>
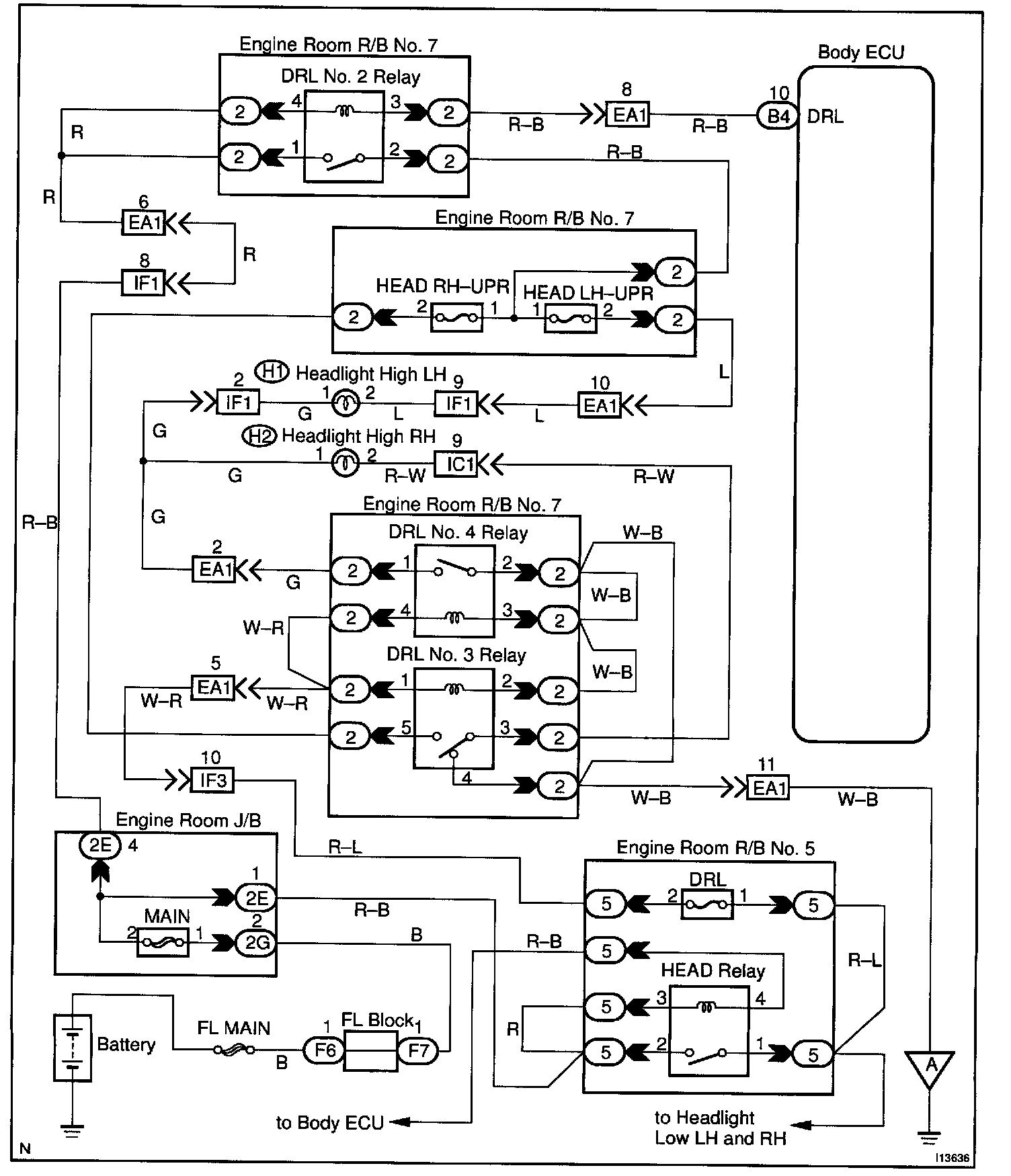
Daytime Running Light # 2, 3 and 4 Relay Circuit
Daytime Running Light # 2, 3 and 4 Relay Circuit
Wiring Diagram:
Steps 1 - 2:
INSPECTION PROCEDURE