Curiosii for ever!
: Car repair manuals for everyone.
Home
>>
Toyota
>>
2000
>>
Avalon XLS V6-3.0L (1MZ-FE)
>>
Repair and Diagnosis
>>
Heating and Air Conditioning
>>
Control Assembly
>>
Locations
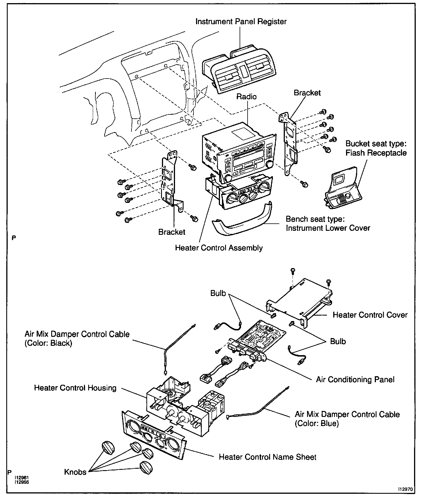
Control Assembly: Locations
Air Conditioning Control Assembly (Auto A/C):
Heater Control Assembly (Manual A/C):