Curiosii for ever!: Car repair manuals for everyone.

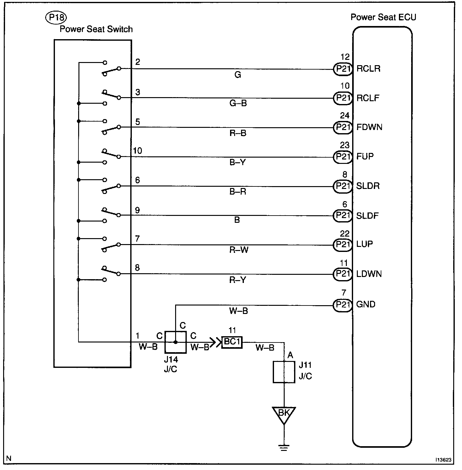
Power Seat Control Switch Circuit

W/ Driving Position Memory

CIRCUIT DESCRIPTION
When the power seat control switch is operated, a signal is sent from the power seat control switch to the

ECU and the ECU sends a signal to the motor to make it operate.

Even if a malfunction should occur with the position sensor and return operation is prohibited, manual operation will occur as normal.

Wiring Diagram:






Step 1 - 2 (Part 1 Of 2):




Steps 2 (Contd) - 3:




INSPECTION PROCEDURE