Curiosii for ever!
: Car repair manuals for everyone.
Home
>>
Toyota
>>
1999
>>
Avalon XL V6-3.0L (1MZ-FE)
>>
Repair and Diagnosis
>>
Diagrams
>>
Exploded Views
>>
Engine
>>
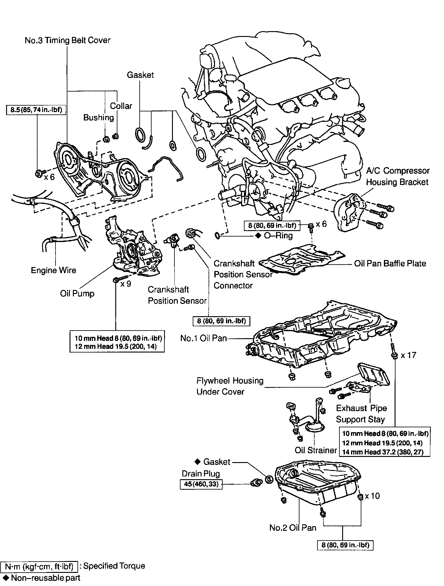
Oil Pump, Engine
Oil Pump, Engine
UNDERHOOD VIEW
OIL PUMP REPLACEMENT AND OVERHAUL W/ RELATED COMPONENTS