Curiosii for ever!: Car repair manuals for everyone.

Throttle Position Sensor: Description and Operation

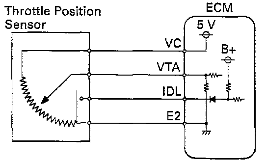
PURPOSE / OPERATION



The throttle position sensor is mounted in the throttle body and detects the throttle valve opening angle. When the throttle valve is fully closed, the IDL contacts in the throttle position sensor are on, so the voltage at the terminal IDL of the ECM becomes 0.0 volt. At this time, a voltage of approximately 0.7 volt is applied to terminal VTA of the ECM. When the throttle valve is opened, the IDL contacts go off and thus the power source voltage of approximately 12.0 volts in the ECM is applied to the terminal IDL of the ECM. The voltage applied to the terminal VTA of the ECM increases in proportion to the opening angle of the throttle valve and becomes approximately 3.5 - 5.0 volts when the throttle valve is fully opened. The ECM judges the vehicle driving conditions from these signals input from terminals VTA and IDL, and uses them as one of the conditions for deciding the air-fuel ratio correction, power increases correction and fuel-cut control etc.