Curiosii for ever!
: Car repair manuals for everyone.
Home
>>
Toyota
>>
1996
>>
Avalon V6-3.0L (1MZ-FE)
>>
Repair and Diagnosis
>>
Diagrams
>>
Electrical Diagrams
>>
Powertrain Management
>>
Ignition System
>>
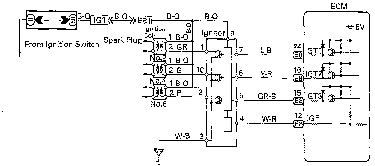
Ignition Control Module
Ignition Control Module