Curiosii for ever!: Car repair manuals for everyone.

Pattern Select Switch Circuit


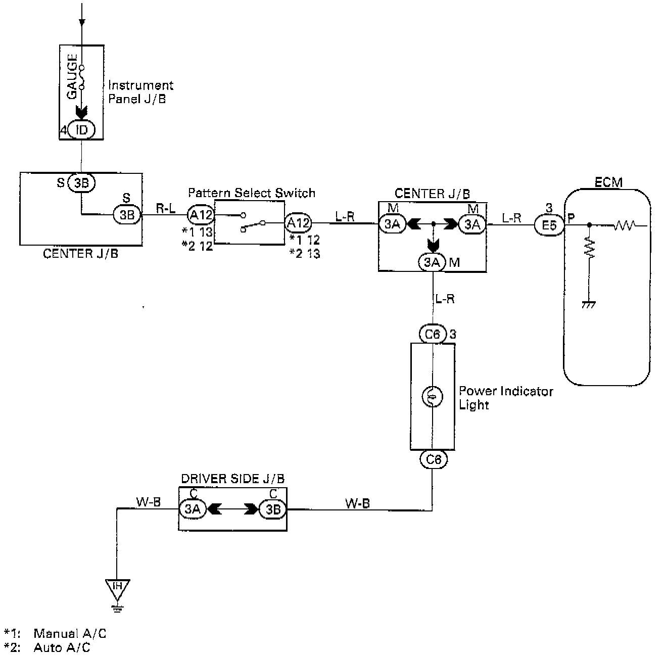
PATTERN SELECT SWITCH CIRCUIT

CIRCUIT DESCRIPTION
The ECM memory contains the shift programs for the NORMAL and POWER patterns, 2 position, and L position and the lock-up patterns. Following the programs corresponding to the signals from the pattern select switch, the park/neutral position switch and other various sensors, the ECM switches the solenoid valves ON and OFF thereby controlling the transaxle gear change and the lock-up clutch operation.


WIRING DIAGRAM

Pattern Select Switch Circuit:






INSPECTION PROCEDURE