Curiosii for ever!: Car repair manuals for everyone.

Torque Specifications

Torque Chart 3S-FE:






Upper Engine Torque Values 3S-FE:






Lower Engine Torque Values 3S-FE:






Fig. 1 Exhaust Camshaft Bearing Cap Bolts 1 & 2 Removal. 3S-FE:





Fig. 2 Exhaust Camshaft Bearing Cap Bolt 3 Through 8 Removal. 3S-FE:





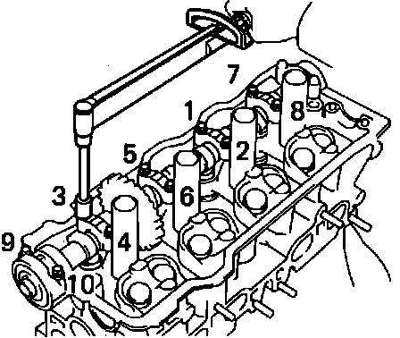
Fig. 3 Exhaust Camshaft Bearing Cap Bolt 9 & 10 Removal. 3S-FE:





Fig. 4 Intake Camshaft Bearing Cap Bolt 1 & 2 Removal. 3S-FE:





Fig. 5 Intake Camshaft Bearing Cap Bolt 3 Through 8 Removal. 3S-FE:





Fig. 6 Intake Camshaft Bearing Cap Bolt 9 & 10 Removal. 3S-FE:






Fig. 9 Intake Camshaft Bearing Cap Bolt Tightening Sequence. 3S-FE:





Fig. 11 Exhaust Camshaft Bearing Cap Bolt Tightening Sequence. 3S-FE:






Head Loosening Sequence 3S-FE:






Head Tightening Sequence 3S-FE:






Main Bearing Torque Sequence:






Flywheel Torque Sequence - Tighten To Specified Torque In 2 Or 3 Passes: