Curiosii for ever!
: Car repair manuals for everyone.
Home
>>
Toyota
>>
1984
>>
Corolla/FX L4-1587cc 4A SOHC
>>
Repair and Diagnosis
>>
Relays and Modules
>>
Relays and Modules - HVAC
>>
Control Module HVAC
>>
Locations
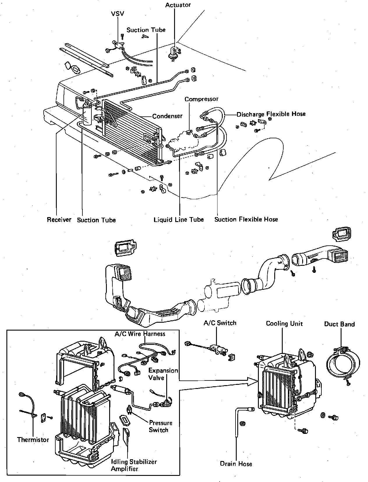
Control Module HVAC: Locations
Air Conditioning System Components.:
Attached To A/C Cooling Unit
Applicable to: 1983-84 Models