Curiosii for ever!
: Car repair manuals for everyone.
Home
>>
Toyota
>>
1984
>>
Celica L4-2366cc 22R
>>
Repair and Diagnosis
>>
Cruise Control
>>
Cruise Control Module
>>
Locations
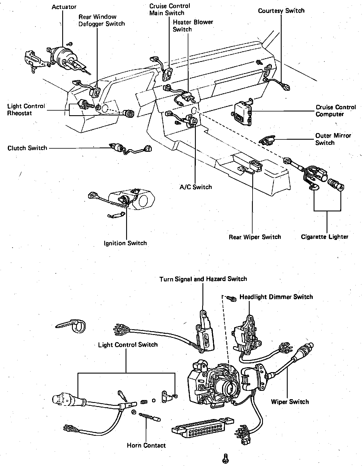
Cruise Control Module: Locations
Center Console & I/P Relay Locations.:
Behind RH Side Kick Panel
Applicable to: 1984-86 Models