Curiosii for ever!
: Car repair manuals for everyone.
Home
>>
Toyota
>>
1983
>>
Tercel/Cor. Tercel L4-1452cc 1AC,3A,3AC
>>
Repair and Diagnosis
>>
Starting and Charging
>>
Starting System
>>
Diagrams
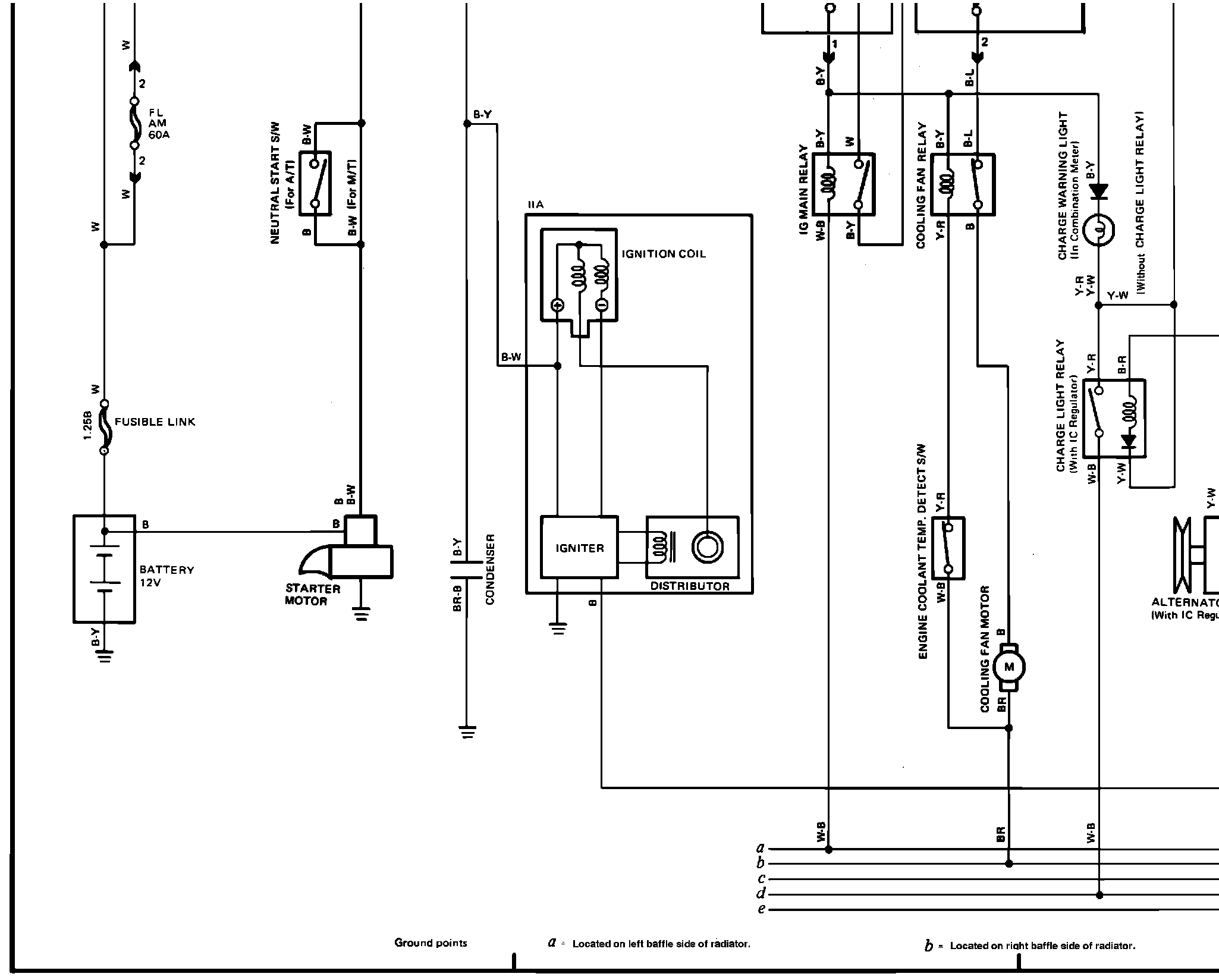
Starting System: Diagrams
�I�$J�PJ�]J�nJyzJ�JFig. 52a Power Supply, Starting System, Ignition System, Engine Cooling Fan, Charging System, Emission Control System, Heating & A/C, and Combination Meter Wiring Diagram: