Curiosii for ever!
: Car repair manuals for everyone.
Home
>>
Toyota
>>
1983
>>
Tercel/Cor. Tercel L4-1452cc 1AC,3A,3AC
>>
Repair and Diagnosis
>>
Heating and Air Conditioning
>>
Control Module HVAC
>>
Locations
Control Module HVAC: Locations
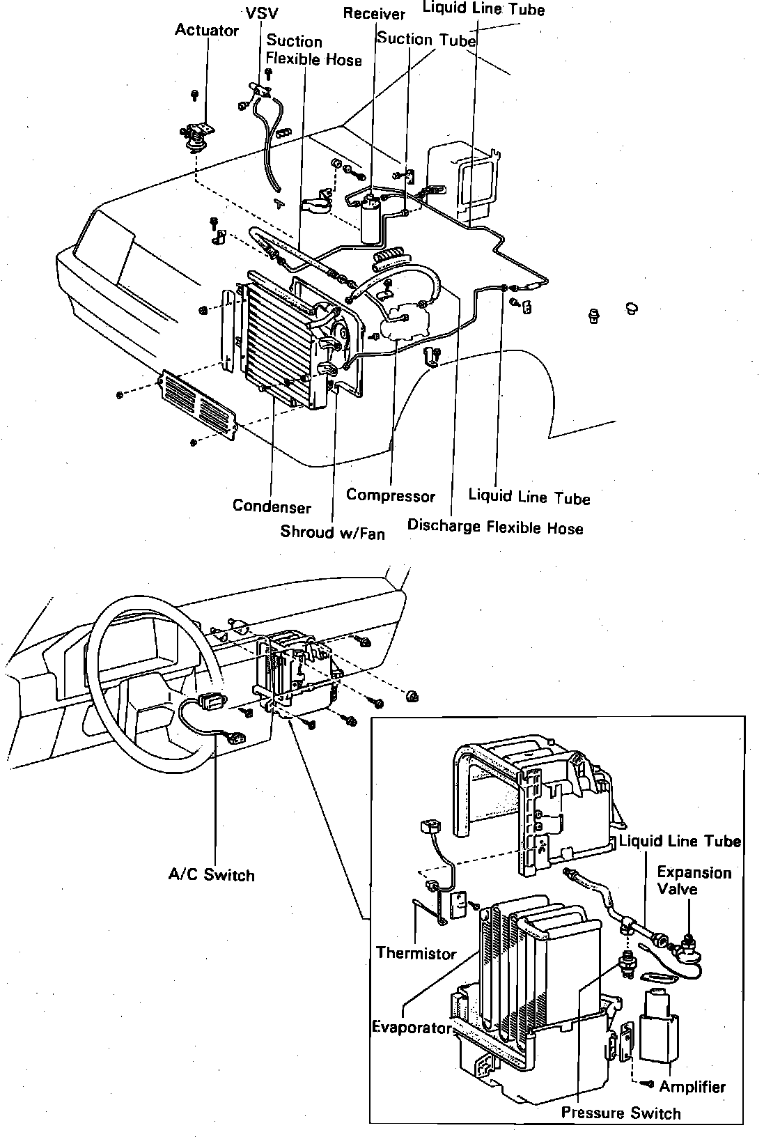
A/C System Component Locations.:
Behind RH Side Of I/P, At Cooling Unit
Applicable to: 1984-86 Models