Curiosii for ever!
: Car repair manuals for everyone.
Home
>>
Toyota
>>
1983
>>
Cressida L6-2759cc 5M Ser
>>
Repair and Diagnosis
>>
Powertrain Management
>>
Transmission Control Systems
>>
Diagrams
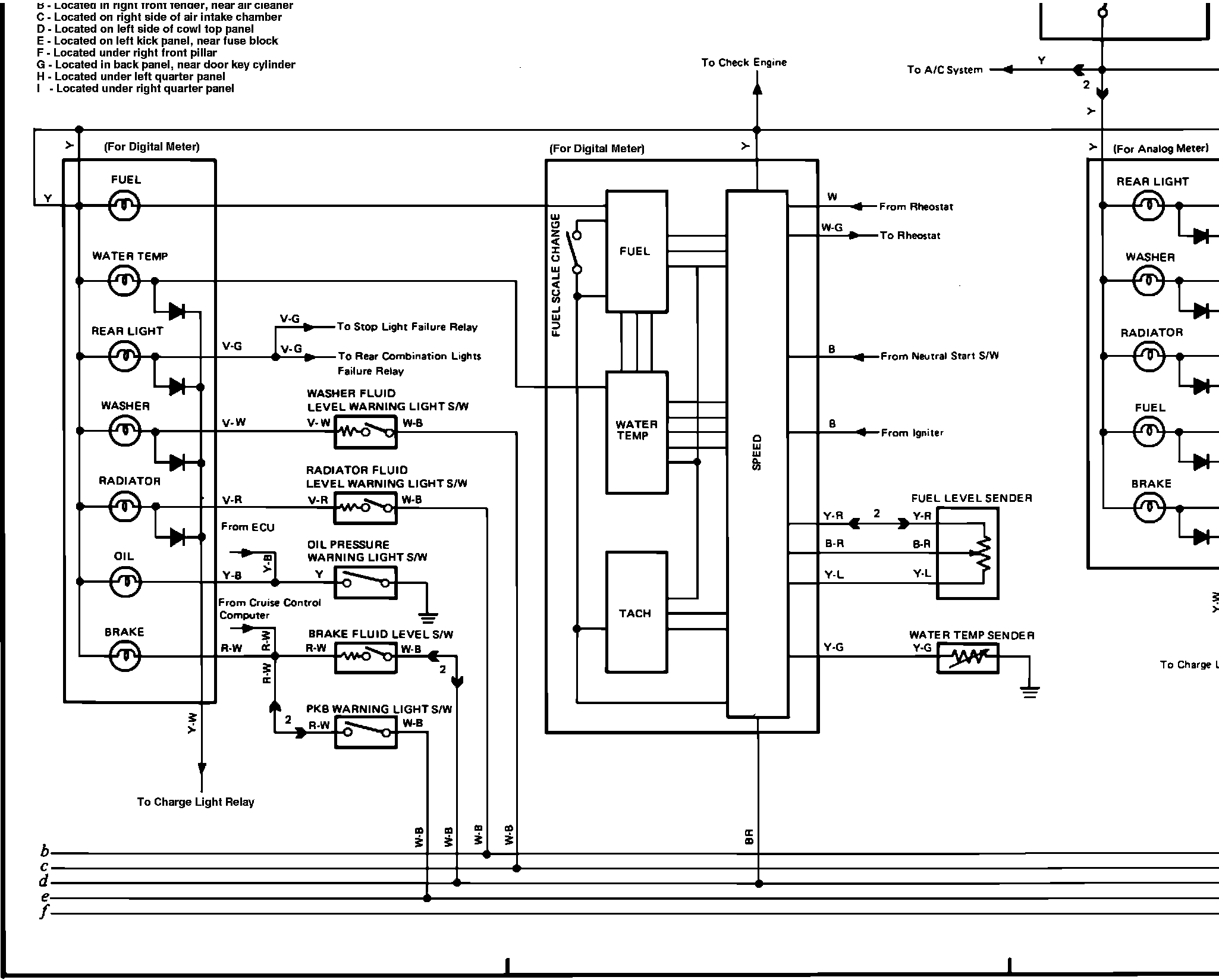
Transmission Control Systems: Diagrams
�i'��'��'��'a�'|�'��'Fig. 26b Combination Meter, ECT System, Back-Up Lamp, Seat Belt, and Rear Defogger Wiring Diagram: