Curiosii for ever!
: Car repair manuals for everyone.
Home
>>
Toyota
>>
1982
>>
Cressida L6-2759cc 5M Ser
>>
Repair and Diagnosis
>>
Diagrams
>>
Exploded Views
>>
Steering Column
Steering Column
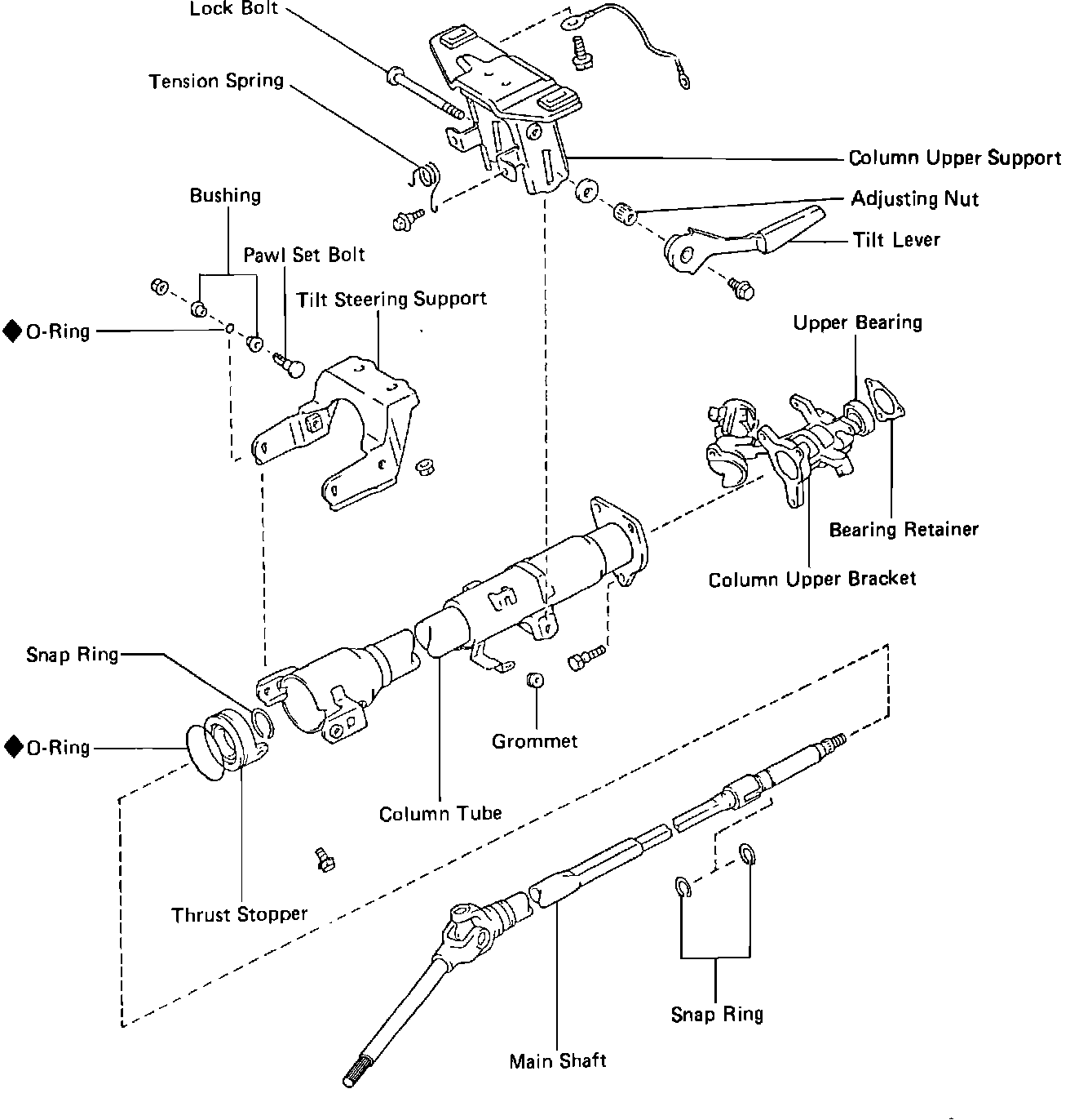
Fig. 8 Exploded view of steering column. 1984 Cressida: