Curiosii for ever!
: Car repair manuals for everyone.
Home
>>
Toyota
>>
1982
>>
Corolla RWD L4-1770cc 1.8L (3TC)
>>
Repair and Diagnosis
>>
Starting and Charging
>>
Starting System
>>
Diagrams
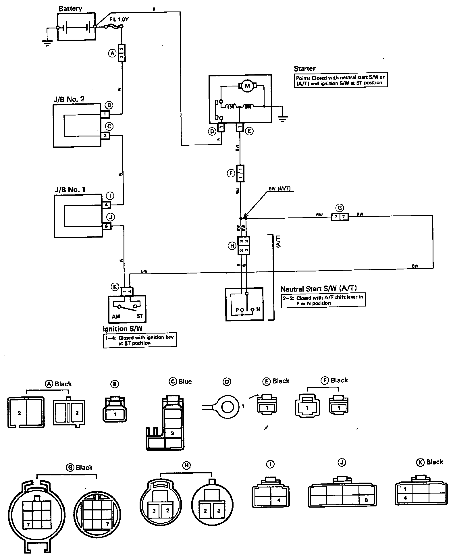
Starting System: Diagrams