Curiosii for ever!
: Car repair manuals for everyone.
Home
>>
Toyota
>>
1982
>>
Corolla RWD L4-1770cc 1.8L (3TC)
>>
Repair and Diagnosis
>>
Heating and Air Conditioning
>>
Control Module HVAC
>>
Locations
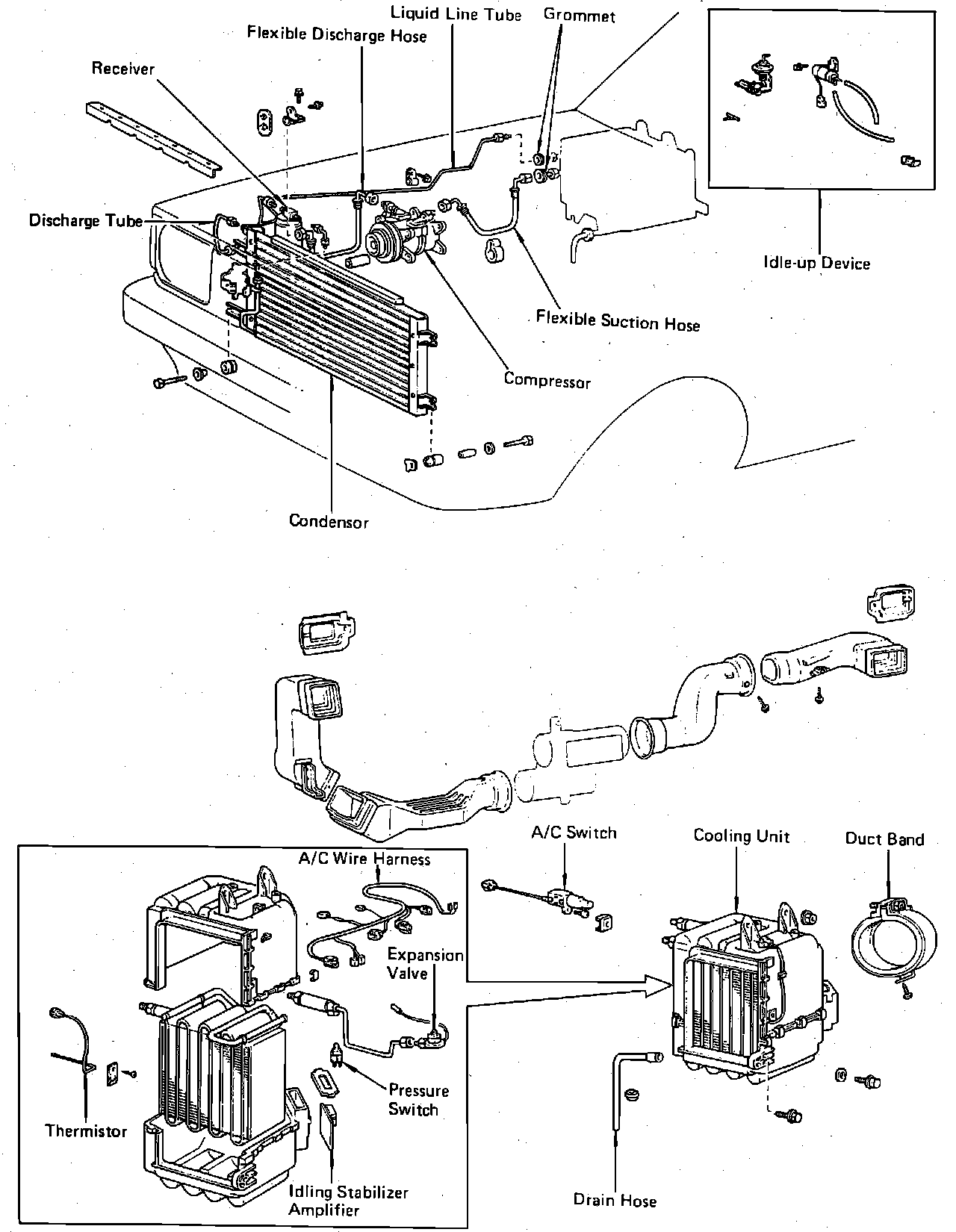
Control Module HVAC: Locations
Air Conditioning System Components.:
Attached To A/C Cooling Unit
Applicable to: 1981-82 Models