Curiosii for ever!
: Car repair manuals for everyone.
Home
>>
Toyota
>>
1982
>>
Celica L4-2366cc 22R
>>
Repair and Diagnosis
>>
Heating and Air Conditioning
>>
Relays and Modules - HVAC
>>
Control Module HVAC
>>
Locations
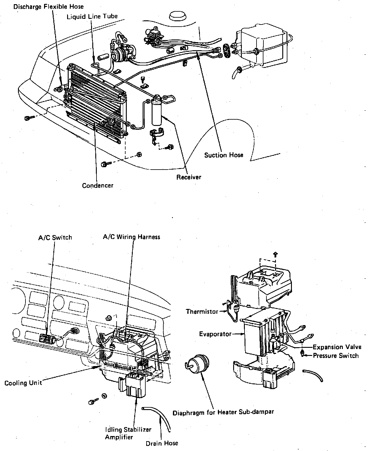
Control Module HVAC: Locations
A/C System Component Locations.:
Attached to Cooling Unit
Applicable to: 1981-82 Models