Curiosii for ever!: Car repair manuals for everyone.

Low Pressure Sensor / Switch: Testing and Inspection



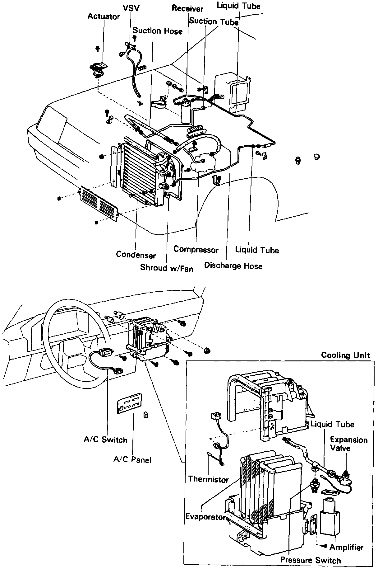
System Components, Tercel Wagon:








1. Connect manifold gauge set to system.
2. Remove lower instrument panel trim panels or glovebox, as needed, to gain access to low pressure switch connector. Low pressure switch is installed in expansion valve line inside evaporator housing.
3. Disconnect electrical connector to switch and check switch continuity with suitable ohmmeter. Refer to appropriate wiring diagram for terminal identification.
4. With system pressure above 30 psi, meter should indicate continuity; with pressure below 30 psi, meter should indicate no continuity.
5. If switch fails to perform as outlined, switch is defective.