Curiosii for ever!: Car repair manuals for everyone.

Steering Mounted Controls Assembly: Testing and Inspection




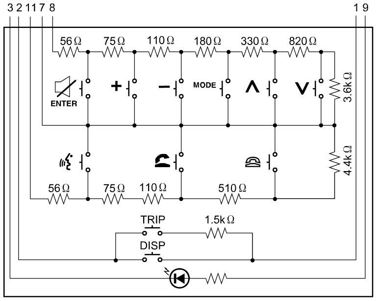
Steering Switch (Audio Control Switch, Display and Trip Switch and Hands-Free Switch) Inspection

1) Remove driver air bag (inflator) module. Removal and Installation
2) Disconnect "S61" connector from steering switch and check resistance between the following terminals under each condition in the table.

If check result is not satisfactory, replace steering switch.

NOTE:
Set tester at diode range when measuring between terminals 3 and 9.

Steering switch resistance