Curiosii for ever!: Car repair manuals for everyone.

Blower Motor Controller Inspection




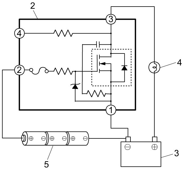
Blower Motor Controller Inspection

1) Remove blower motor controller (2) from HVAC unit (1).
2) Connect bulb (12 V/5 W) (4) between battery positive terminal and terminal "3", and connect battery negative terminal to terminal "1".
3) Check if bulb turns on, when connecting dry cell (5) between terminal "2" and battery negative terminal as follows.

If check result is not satisfactory, replace blower motor controller.

NOTE:
Make sure that the total voltage of dry cell is more than 4.5 V.