Curiosii for ever!
: Car repair manuals for everyone.
Home
>>
Suzuki
>>
2010
>>
SX4 4WD L4-2.0L
>>
Repair and Diagnosis
>>
Powertrain Management
>>
Transmission Control Systems
>>
Relays and Modules - Transmission and Drivetrain
>>
Relays and Modules - Differential
>>
Control Unit
>>
Diagrams
>>
Electrical Diagrams
Electrical Diagrams
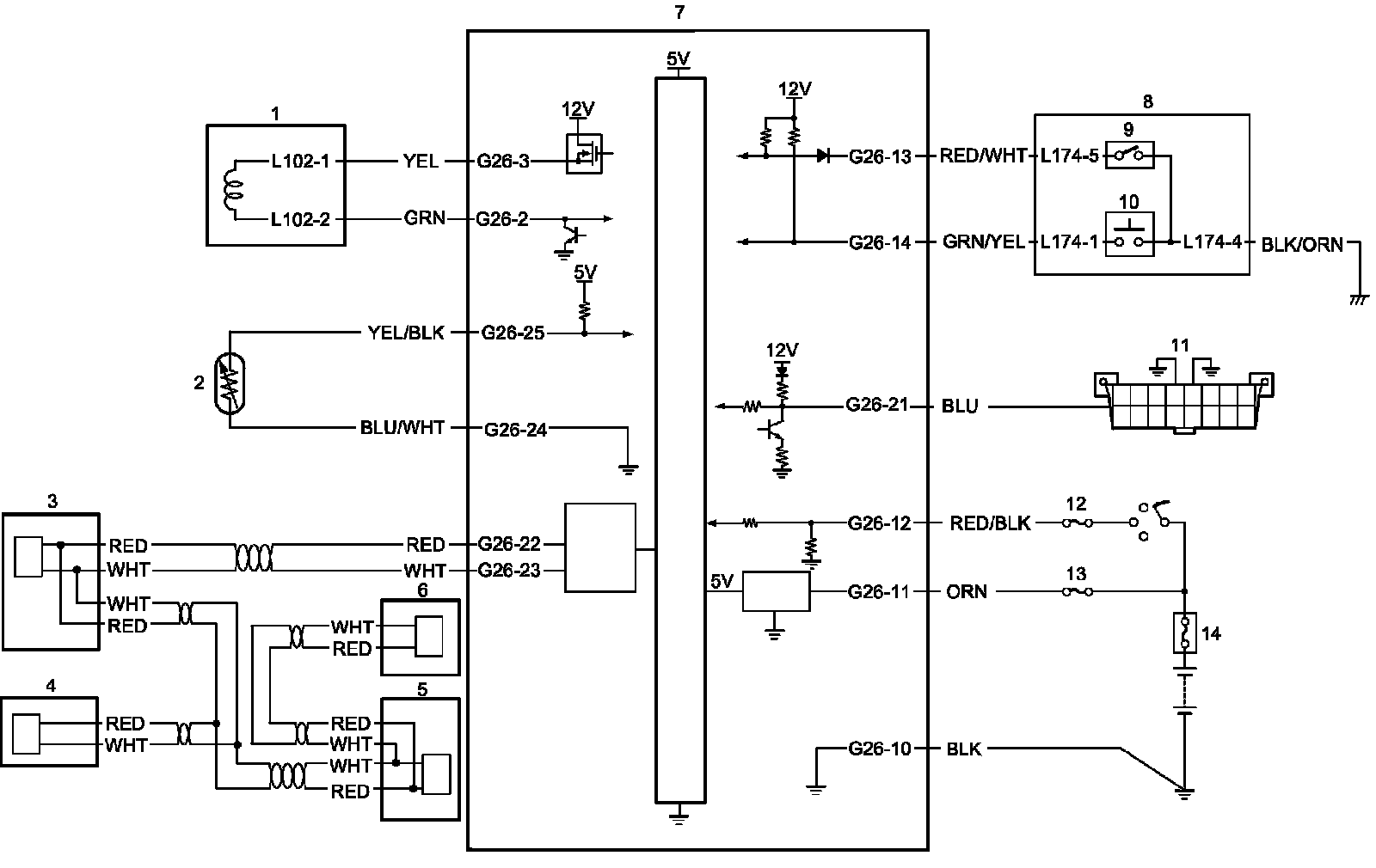
4WD Control System Wiring Circuit Diagram
Terminal Arrangement of 4WD Control Module