Curiosii for ever!: Car repair manuals for everyone.

Engine: Testing and Inspection

Engine Vacuum Check
1) Warm up engine to normal operating temperature.
2) For CVT model, place select lever in "P" and apply parking brake.
For M/T model, place gear shift lever in "Neutral" and apply parking brake.
3) Remove engine cover.
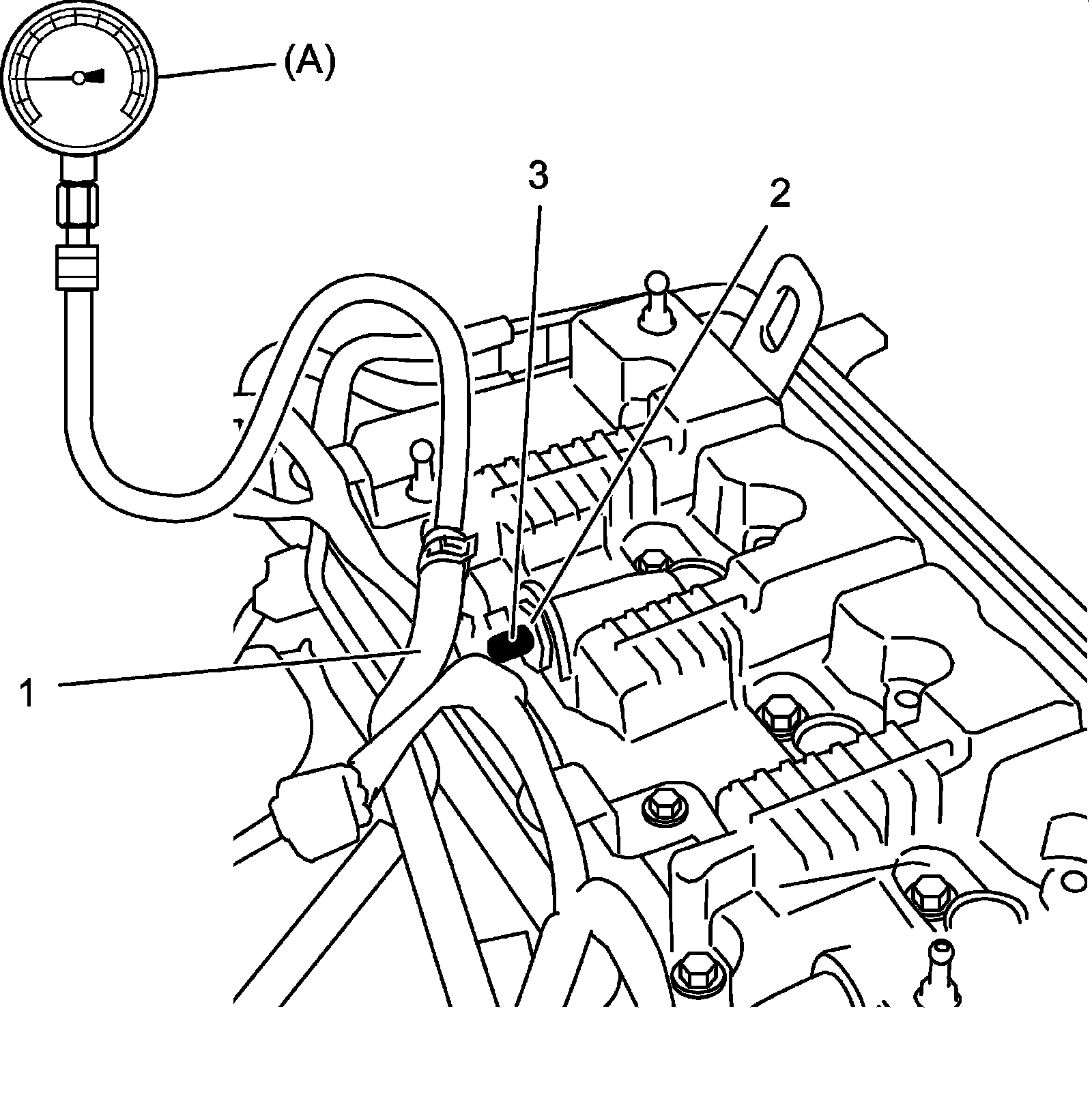
4) Remove PCV hose (1) from PCV valve (2).
5) Connect special tool to PCV hose (1).
Special Tool
(A): 09915-67311
6) Close PCV valve (2) using tape (3) or the like.





7) Start engine and turn off all electric loads.
8) Read vacuum gauge at specified idle speed.
Vacuum specification (at sea level)
Standard: -65 kPa (-0.66 kgf/cm2, -9.43 psi, -0.65 bar) or less at specified idle speed
9) After checking, disconnect special tool from PCV valve.
10) Peel off tape from PCV hose.
11) Connect PCV hose to PCV valve.
12) Install engine cover.