Curiosii for ever!: Car repair manuals for everyone.

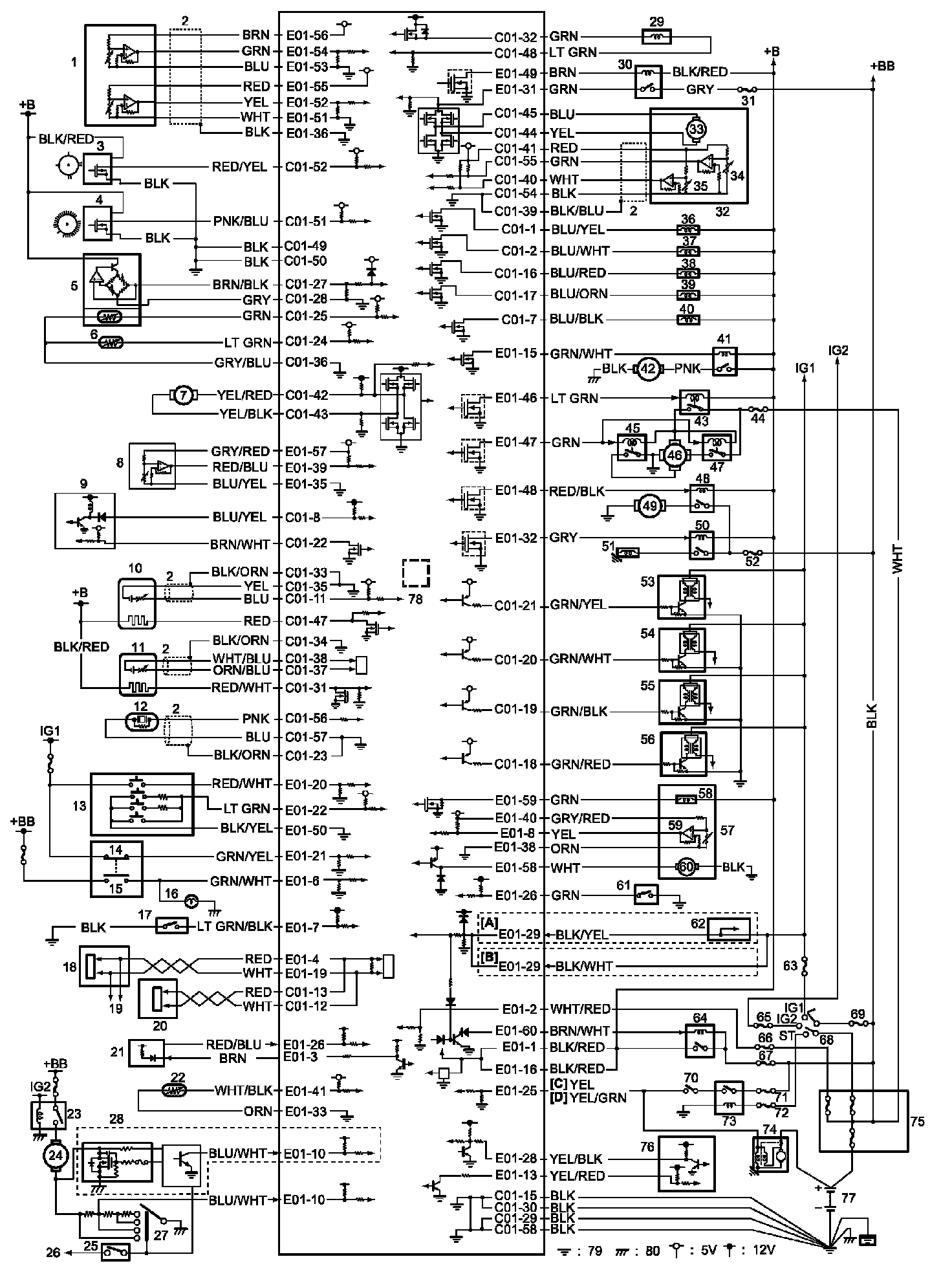
Engine Control System Circuit Diagram

Engine Control System Circuit Diagram

NOTE: For identification of each cylinder, refer to Precautions for Identification of Cylinder.

Engine Control System Circuit Diagram (Part 1):




Engine Control System Circuit Diagram (Part 2):






Terminal Arrangement of ECM Connector (Viewed from Harness Side)






NOTE: For circuit name and terminal voltage, refer to Inspection of ECM and Its Circuits. Voltage Check