Curiosii for ever!: Car repair manuals for everyone.

Starting Motor Inspection

Starting Motor Inspection

Starting Motor Operation Check

CAUTION:
- When using battery, do not create short circuit between terminals together.
- Each test must be performed within 3 - 5 sec. to avoid burning of coil.

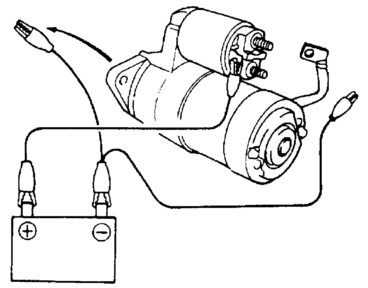
1. Perform pull-in test as follows.
a. Disconnect lead wire (3) from terminal "M" (2).
b. Connect battery to magnetic switch as shown in figure.
c. Check that plunger and pinion move outward.
If plunger and pinion do not move, replace magnetic switch.







2. Perform hold-in test as follows.
a. From the state of step 1 with plunger and pinion in "out" position, disconnect negative (-) lead from terminal "M".
b. Check that plunger and pinion remain in "out" position.
If plunger and pinion return inward, replace magnetic switch.







3. Perform plunger and pinion return test as follows.
a. From the state of step 2 with plunger and pinion in "out" position, disconnect negative (-) lead from starting motor body.
b. Check that plunger and pinion return inward.
If plunger and pinion do not return, replace magnetic switch.







4. Perform no-load performance test as follows.

CAUTION: Use thick cable such as jumper cable, as large current may flow.

a. Connect battery and ammeter to starting motor as shown in figure.
b. Check that starting motor rotates smoothly and steadily with pinion moving out.
c. Check that ammeter indicates specified current.
If check result is not satisfactory, repair or replace starting motor.

Specified current (No-load performance test)
90 A MAX. at 11 V







Plunger
Check plunger for wear. Replace magnetic switch if necessary.







Magnetic Switch
Push in plunger and release it. Plunger should return quickly to its original position. Replace magnetic switch if necessary.







Pull-in coil open circuit test
Check for continuity between magnetic switch "S" terminal (1) and "M" terminal (2). If there is no continuity, coil is open and magnetic switch should be replaced.







Hold-in coil open circuit test
Check for continuity between magnetic switch "S" terminal (1) and coil case. If there is no continuity, coil is open and magnetic switch should be replaced.







End Frame Bush
Check end frame bush for wear or damage. Replace bush if necessary.







Brush
- Check brushes for wear.
Measure length of each brush and if measurement is below the limit, replace brush assembly.

Brush length
Standard: 12.3 mm (0.484 in.)
Limit: 5.5 mm (0.22 in.)







- Install brushes to their holders and check them for smooth movement.

Spring
Check brush springs for wear, damage or other abnormal conditions. Replace brush assembly if necessary.

Brush spring tension
Standard: 15 - 20 N (1.5 kgf - 2.0 kgf, 3.4 - 4.5 lbf)
Limit: 2.8 N (0.29 kgf, 0.63 lbf)

Brush Holder
- Check movement of each brush in holder. If brush movement within brush holder is sluggish, check brush holder for distortion and sliding surfaces for contamination.
Clean or correct brush holder as necessary.
- Check for continuity across insulated brush (positive (+) side) and grounded brush (negative (-) side).
If continuity exists, brush holder is grounded due to defective insulation and should be replaced.







Armature
- Check commutator for dirt or burn. Correct commutator with sandpaper or lathe, if necessary.







- Check commutator for uneven wear with armature (1) supported on V-blocks (2). If dial gauge (4) deflects exceeding the limit, repair commutator or replace armature.

Commutator out of round
Standard: 0.05 mm (0.002 in.) or less
Limit: 0.4 mm (0.02 in.)







- Check commutator for wear. If diameter is below limit, replace armature.

Commutator outside diameter
Standard: 29.4 mm (1.16 in.)
Limit: 28.8 mm (1.14 in.)







- Check commutator (1) for insulator (2) depth. Correct insulator depth or replace commutator if measurement is below limit.

Commutator insulator depth "a"
Standard: 0.5 mm (0.020 in)
Limit: 0.2 mm (0.008 in.)







- Check insulation between commutator and armature core. If there is continuity, armature is grounded and must be replaced.







- Check for continuity between segments. If there is no continuity at any test point, there is an open circuit and armature must be replaced.







Gears
Check internal gear and planetary gears for wear, damage or other abnormal conditions. Replace gear set if necessary.







Pinion and Overrunning Clutch
- Check pinion for wear, damage or other abnormal conditions.
- Check that clutch locks up when turned in direction of drive and rotates smoothly in reverse direction. Replace pinion and overrunning clutch if necessary.







- Check spline teeth for wear or damage. Replace pinion and overrunning clutch if necessary.
- Check pinion for smooth movement.







Starter Housing Bush
Check bush for wear or damage. Replace bush if necessary.