Curiosii for ever!
: Car repair manuals for everyone.
Home
>>
Suzuki
>>
2010
>>
SX4 2WD L4-2.0L
>>
Repair and Diagnosis
>>
Diagrams
>>
Electrical Diagrams
>>
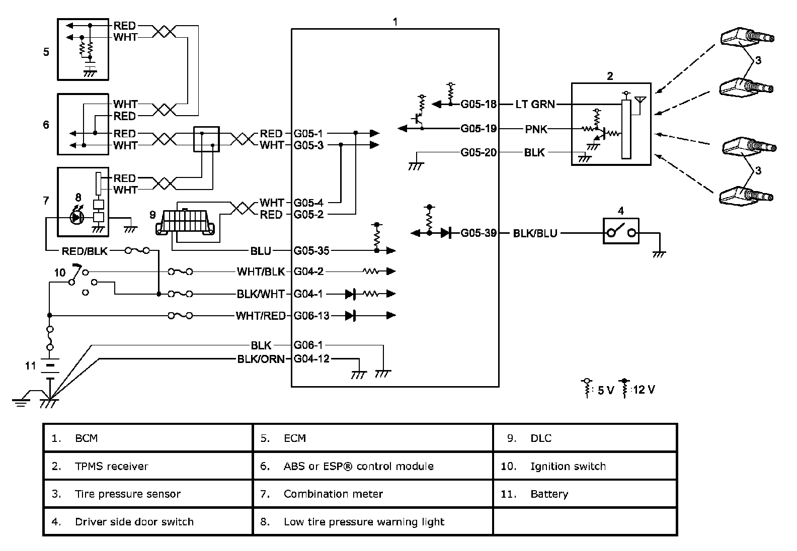
Tire Monitoring System
Tire Monitoring System
TPMS Wiring Circuit Diagram
TPMS Wiring Circuit Diagram: