Curiosii for ever!
: Car repair manuals for everyone.
Home
>>
Suzuki
>>
2010
>>
SX4 2WD L4-2.0L
>>
Repair and Diagnosis
>>
Diagrams
>>
Electrical Diagrams
>>
Cruise Control
Cruise Control
Cruise Control
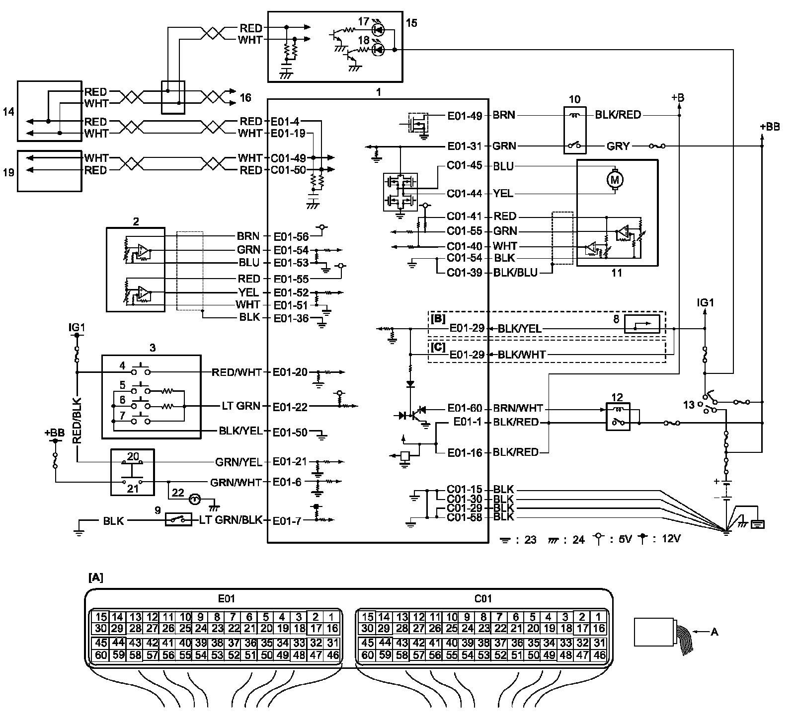
System Wiring Diagram
Cruise Control System Wiring Diagram (Part 1):
Cruise Control System Wiring Diagram (Part 2):