Curiosii for ever!: Car repair manuals for everyone.

ESP(R) Components Description

ESP(R) Components Description

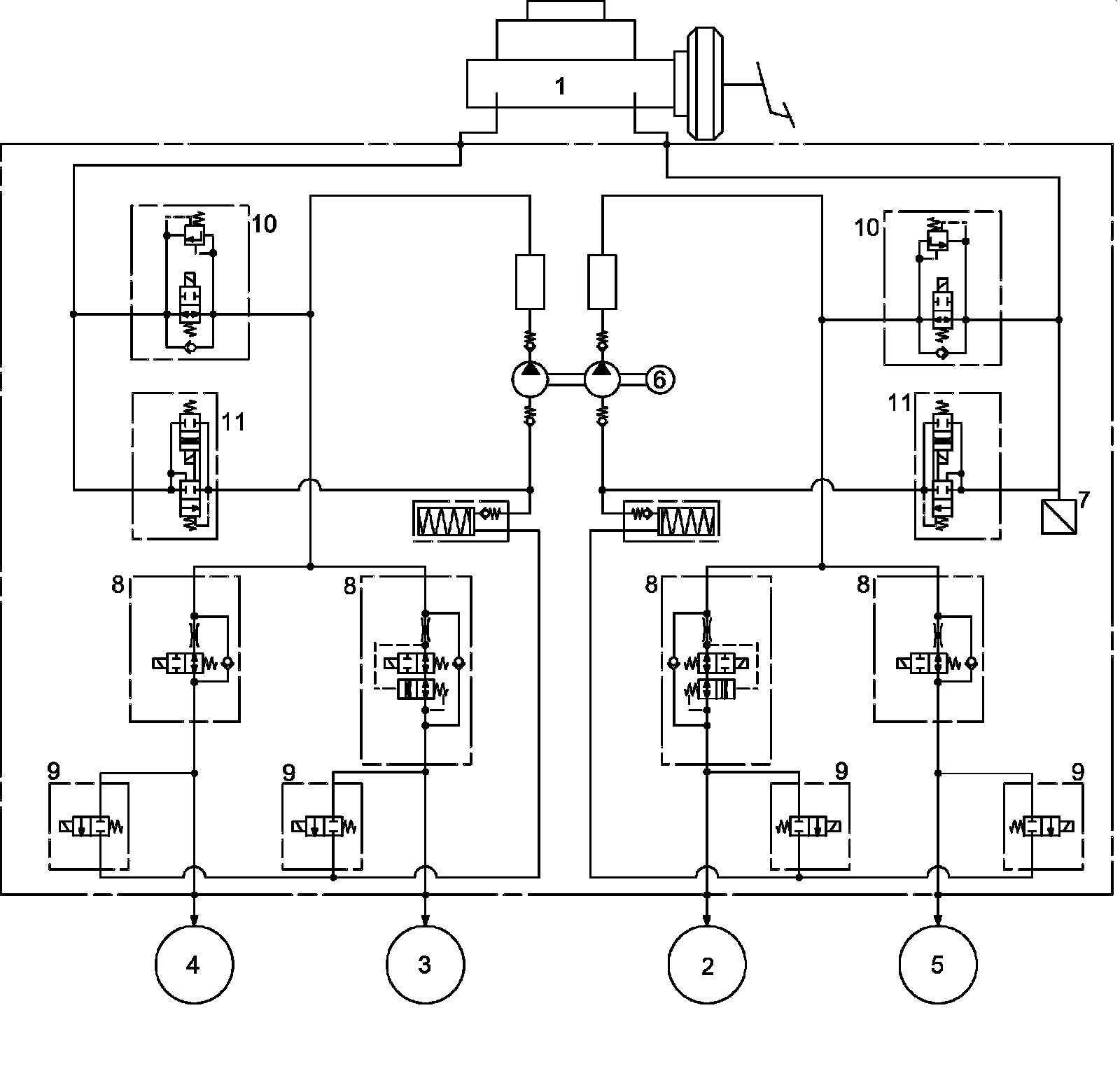
ESP(R) control module / hydraulic unit
The control module receives signals from each wheel speed sensor, ESP(R) OFF switch, brake master cylinder pressure sensor (7), steering angle sensor and yaw rate / G sensor. Based on these signals as information, the control module judges the vehicle conditions and controls the brake hydraulic pressure by combining the ON/OFF operation of the solenoid in the hydraulic unit and the pump motor operation.
The hydraulic unit contains an inlet solenoid valve (8) and an outlet solenoid valve (9) for each wheel as well as a cut solenoid valve (10) and a suction solenoid valve (11) for each hydraulic unit system. Also, a master cylinder pressure sensor, pump motor (6), etc. are included. The hydraulic pressure control is done in 3 modes of pressure increase, pressure keeping and pressure reduction.
^ Pump motor:
The pump motor turns on and applies pressure to each brake when braking is activated in the traction control and stability control state. When in the pressure reduction mode, it causes the brake fluid in the reservoir to return to the master cylinder (1).
^ Brake master cylinder pressure sensor:
This sensor detects the brake hydraulic pressure in the primary piping when brake is applied in the normal condition. Also, it detects the pump motor driving state when brake is applied in the traction control and stability control state.
^ Inlet solenoid valve:
In the ABS, traction control and stability control state, this valve is activated in the pressure keeping and pressure reduction modes to open the fluid passage, thereby restricting increase of the hydraulic pressure applied to the brake caliper.
^ Outlet solenoid valve:
In the ABS, traction control and stability control state, this valve is activated in the pressure reduction mode to open the fluid passage, thereby lowering the hydraulic pressure kept in the brake caliper.
^ Cut solenoid valve:
When brake is applied in the traction control and stability control state, this valve is activated to close the fluid passage, thereby causing the hydraulic pressure generated by the pump motor to apply to the brake caliper.
^ Suction solenoid valve:
When brake is applied in the traction control and stability control state, this valve is activated to open the fluid passage from the master cylinder to the pump motor.








Steering angle sensor
The steering angle sensor is assembled with the contact coil as a unit and mounted to the steering column. Detecting the angle as the steering wheel is turned, it sends that information to the ESP(R) control module.

Yaw rate G sensor
The yaw rate G sensor consists of the yaw rate (angular velocity in the vehicle turning direction) sensor and right-left G (acceleration in right-left direction) sensor and is mounted to the P/S controller bracket at the lower part of the center console. It detects the angular velocity in the vehicle turning direction and movement in the right-left direction, and then it sends that information to ESP(R) control module.

Wheel speed sensor
The vehicle speed is detected by the hall IC type wheel speed sensor (1) and encoder (4). The wheel speed sensor is fixed to the knuckle and includes a hall IC (3) having 2 hall elements (2). The encoder consisting of a permanent magnet which has S/N electrodes turns inside of the wheel hub along with the wheel. The wheel speed sensor outputs alternate current.
As the cycle of the alternate current is in proportion to the revolution speed of the encoder, this AC signal (5) is converted into the voltage signal in the ESP(R) control module (6) for detection of the wheel speed.





ESP(R) OFF switch
This switch is momentary type. And this is attached to console box.
ESP(R) OFF light in combination meter lights up by pushing the switch more than 5 seconds.
Then it informs that ESP(R) (except for ABS) is controlled not to work to driver.
The operation of ESP(R) OFF is canceled when ignition switch is turned ON after ignition switch is turned OFF with ESP(R) OFF is operated.