Curiosii for ever!: Car repair manuals for everyone.

Heating and Air Conditioning: Service and Repair

Operation Procedure For Refrigerant Charge

Operation Flow






Recovery
1. Run engine at idle speed with A/C system ON for 5 to 6 minutes.

NOTE: Perform this operation to circulate refrigerant in A/C system before recovering it in recovery and recycling equipment.

2. Stop engine and recover refrigerant from A/C system by using refrigerant recovery and recycling equipment (1).

NOTE:
- After recovering refrigerant from system, the amount of removed compressor oil must be measured for replenishing.
- When handling recovery and recycling equipment, be sure to follow the instruction manual for the equipment.






Evacuation
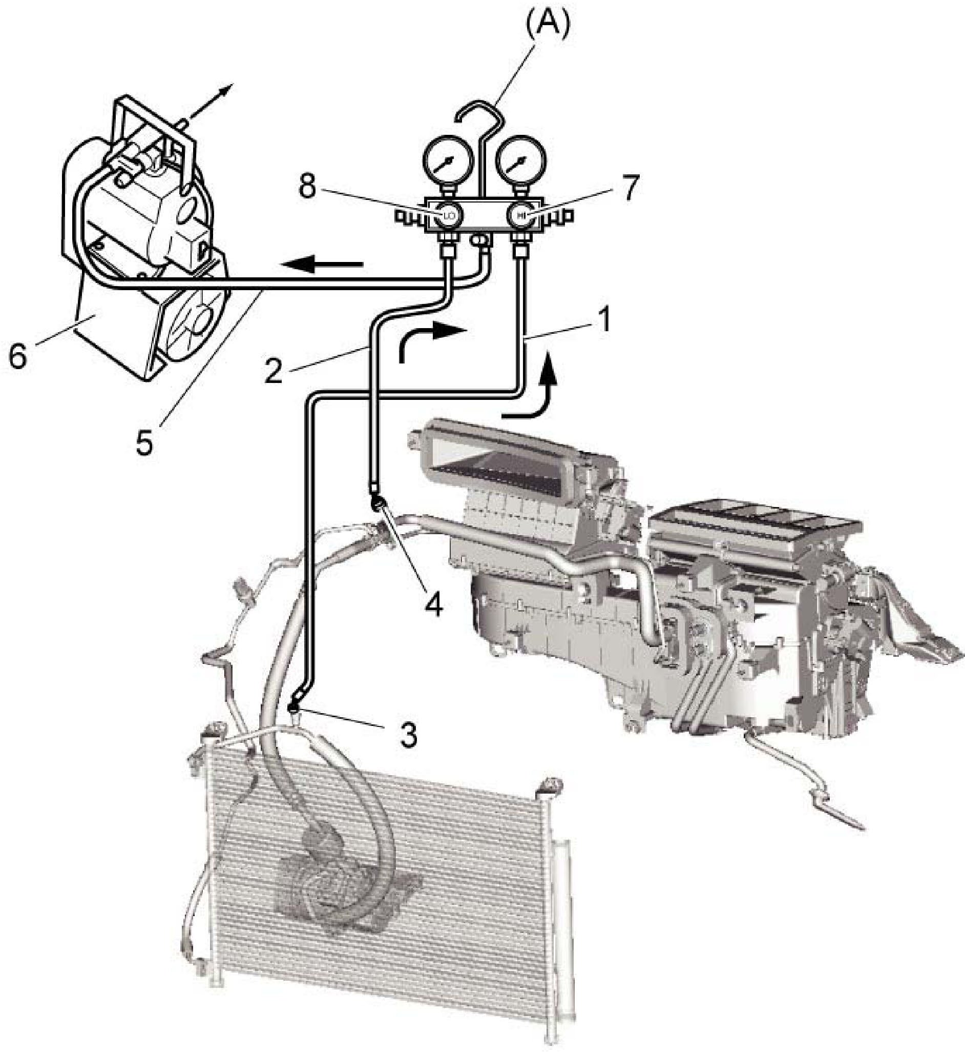
1. Connect center charging hose (5) of manifold gauge set (A) to vacuum pump (6).

Special Tool
(A): 09990-06020

2. Connect high charging hose (1) and low charging hose (2) of manifold gauge set respectively as follows:
- High charging hose -> High pressure charging valve (3) on discharging hose
- Low charging hose -> Low pressure charging valve (4) on suction hose

3. Operate vacuum pump, and then open discharge side valve (Hi) (7) and suction side valve (Lo) (8) of manifold gauge set.
4 Evacuation should be carried out for 15 minutes.

NOTE: Verify that low pressure gauge shows below - 100 kPa (-1.0 kgf/cm2, -760 mmHg, -14.7 psi).






5. Close discharge side valve (Hi) and suction side valve (Lo).
6. Stop vacuum pump.

NOTE: Before turning off vacuum pump equipped with solenoid operated control valve, close manifold gauge valve first. Without closing it, turning off vacuum pump may open the A/C system to atmospheric air, and another evacuation would be required.

7. After completing the evacuation, wait more than 5 minutes.
8. Verify that low pressure gauge reading has not charged.

NOTE:
If gauge reading moves closer to "0", there is a leak somewhere. Inspect the tubing connections and make necessary corrections.
Then, evacuate system once again and make sure that there is no leak.

9. Disconnect center charging hose of manifold gauge set from vacuum pump.

Charge

NOTE:
- Charge the A/C system with refrigerant referring to Measurement of Charging Amount.
- Always charge the A/C system with refrigerant through low pressure side with engine running, however the initial charge is performed from the high pressure side with the engine stopped.
- When replacing refrigerant container in the process of charging, replace refrigerant container referring to Replacement of Refrigerant Container.

Specified amount of refrigerant
530 ± 30 g (18.7 ± 1.1 oz)

1. Purge air in center charging hose as follows.
a. Make sure that discharge side valve (Hi) (1) and suction side valve (Lo) (2) are closed.
b. Install refrigerant container tap valve (4) to refrigerant container (3).
c. Install center charging hose (5) to refrigerant container.
d. Once fully tighten refrigerant container tap valve, loosen (open) it.
e. Open air purge valve (6) of manifold gauge set, and purge air in center charging hose.






2. Charge refrigerant to high pressure side by the following procedure.

WARNING: When charging with refrigerant from high pressure side, do not operate A/C compressor (2). Otherwise, it may cause explosion of refrigerant container or hoses by blowing back high pressure refrigerant.

a. Open discharge side valve (Hi) (3) of manifold gauge (A) and charge refrigerant with engine stopped.






b. After performing the initial charge from the high pressure side, close discharge side valve (Hi) and then disconnect high charging hose from high pressure charging valve.

3. Charge refrigerant to low pressure side by the following procedure.

WARNING: When charging with refrigerant from low pressure side, make sure that high pressure side valve is closed and the hose is disconnected. Otherwise, it may cause explosion of refrigerant container by blowing back high pressure refrigerant.

CAUTION: Do not reverse refrigerant container while charging refrigerant. Reversing its container will cause liquid refrigerant to enter A/C compressor. This will cause trouble such as compression of liquid refrigerant and result in system damage.


NOTE: When replacing refrigerant container, always perform purging air in center charging hose.

a. Make sure that high pressure hose is disconnected.
b. Start engine and operate A/C system under the condition of A/C system performance inspection.
c. Open suction side valve (Lo) (1) of manifold gauge set (A), and charge with specified amount of refrigerant.
Measure specified amount of refrigerant referring to Measurement of Charging Amount.






d. After the system has been charged with specified amount of refrigerant, close suction side valve (Lo) of manifold gauge set.

4. Stop engine and disconnect manifold gauge set.

Measurement of Charging Amount
1. Place refrigerant container (1) on scale (3) with tape (2) to prevent it from falling down.
2. After purging air in center charging hose (4), check and record the weight "a" of refrigerant container before charging.

CAUTION: Perform this measurement in the condition that the hose slack does not change.






3. Charge with specified amount of refrigerant by checking weight.
4. When refrigerant container is empty, replace it with new one. In this case, repeat Step 1) through 3) until total amount of refrigerant reaches to specified amount.

Specified amount of refrigerant
530 ± 30 g (18.7 ± 1.1 oz)






Replacement of Refrigerant Container

1. Close suction side valve (Lo) of manifold gauge set.
2. Stop engine and measure the charged amount of refrigerant at this time.

NOTE: Although new refrigerant container is used, amount of refrigerant indicated on the container is not equal with the amount to be charged.

3. Replace refrigerant container.
4. Purge air existing in center charging hose.
5. Open suction side valve (Lo) and continue to charge refrigerant. Refer to Measurement of Charging Amount.

Removal of Manifold Gauge Set
For the A/C system charged with the specified amount of refrigerant, remove manifold gauge set as follows:
1. Close suction side valve (Lo) of manifold gauge set. (The discharge side valve (Hi) is closed continuously during the process of charging.)
2. Close refrigerant container tap valve.
3. Using shop rag, disconnect charging hoses from service valves. This operation must be performed quickly.
4. Put caps on service valves.

Check A/C System for Refrigerant Leaks

1. Check for leakage of refrigerant in A/C system by using special tool.

Special Tool
: 09990-86012

Replenishing Compressor Oil

CAUTION: When replacing A/C system components, it is necessary to replenish with specified amount of compressor oil. Insufficient compressor oil may bring inadequate lubrication and result in seizure of the A/C compressor.

When charging refrigerant only
When charging with refrigerant without replacing any component, replenish with specified amount of oil.

Amount of compressor oil to replenish with, when charging with refrigerant only
20 cm3 (20 ml, 0.68 US-oz, 0.70 lmp-oz)

: Compressor oil 99000-99022-00E (Compressor oil (DH-PS, 250cc))

When installing A/C compressor (without replacing)
When installing A/C compressor (1) which was removed, replenish with the same amount of oil (2) which was drained.

: Compressor oil 99000-99022-00E (Compressor oil (DH-PS, 250cc))






When replacing A/C compressor
Compressor oil is sealed in each new A/C compressor by the amount required for A/C system. Therefore, when installing a new A/C compressor, drain the calculated amount of oil from it.

Amount of oil to be drained
"C" = "A" - "B"
"C" : Amount of oil to be drained
"A" : Amount of oil in a new A/C compressor (1)
"B" : Amount of oil in removed A/C compressor (2)

NOTE: A/C compressor assembly supplied from factory is filled up with the following amount of oil.

Oil amount in A/C compressor
140 - 160 cm3 (140 - 160 ml, 4.73 - 5.41 US.oz, 4.93 - 5.63 lmp.oz)






When replacing other parts
Replenish with the following amount of oil.






: Compressor oil 99000-99022-00E (Compressor oil (DH-PS, 250cc))