Curiosii for ever!
: Car repair manuals for everyone.
Home
>>
Suzuki
>>
2010
>>
Kizashi FWD L4-2.4L
>>
Repair and Diagnosis
>>
Diagrams
>>
Electrical Diagrams
>>
Powertrain Management
>>
Computers and Control Systems
>>
Information Bus
>>
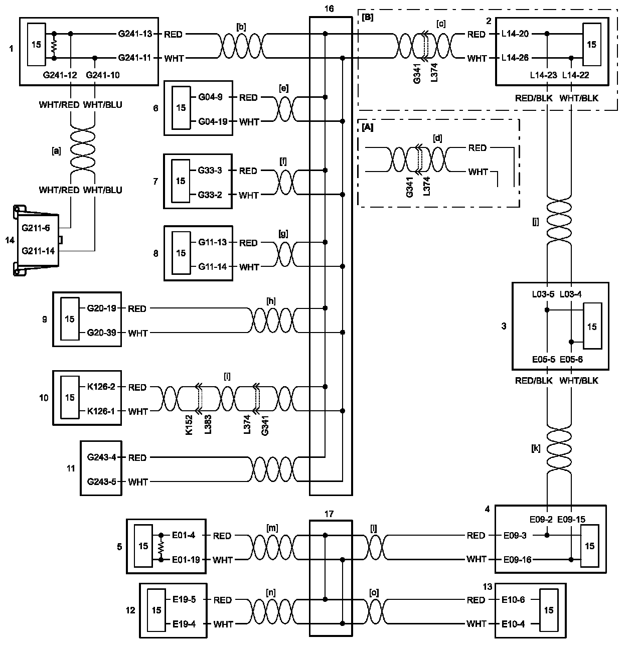
CAN Communication System Circuit Diagram
CAN Communication System Circuit Diagram
CAN Communication System Circuit Diagram
CAN Communication System Circuit Diagram: