Curiosii for ever!: Car repair manuals for everyone.

Exploded Views

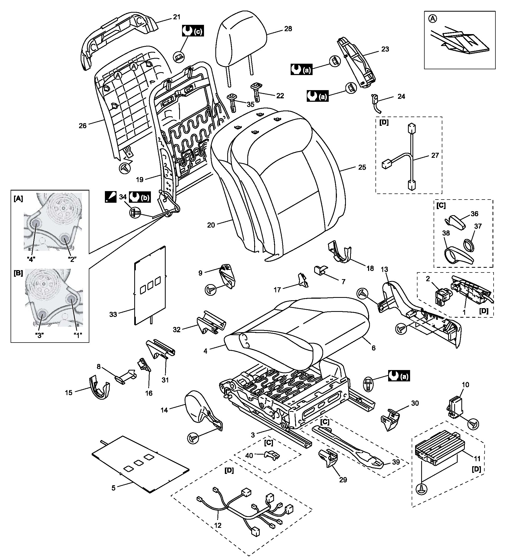
Front Seat Components

This figure shows example of power seat components and specific components to manual seat. Although figure does not show manual seat components of identical names with power seat counterparts, there are differences in shape and design between them. When replacing any seat component, be sure to select correct one referring to parts catalog.

Driver Seat


Driver Seat:









Passenger Seat


Passenger Seat: