Curiosii for ever!: Car repair manuals for everyone.

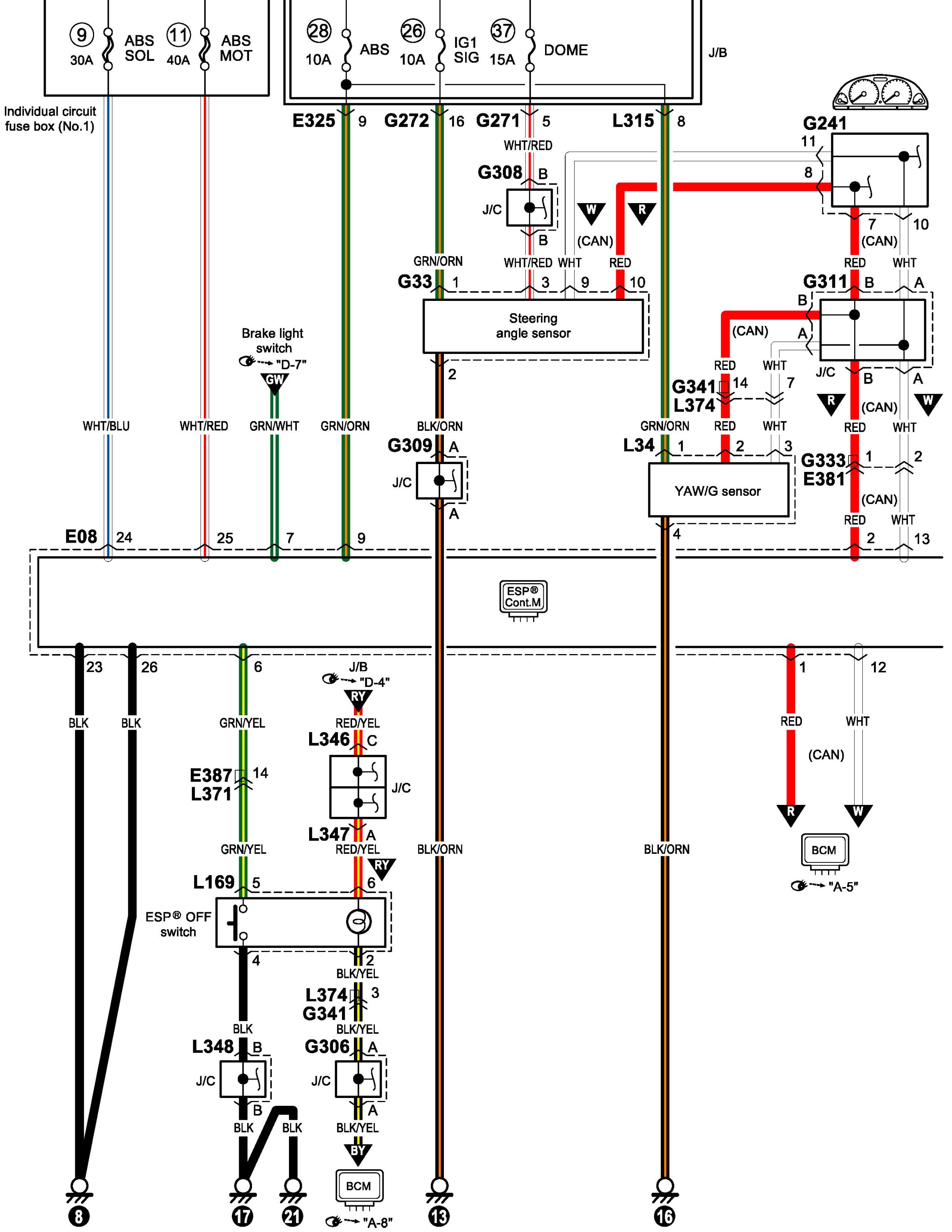
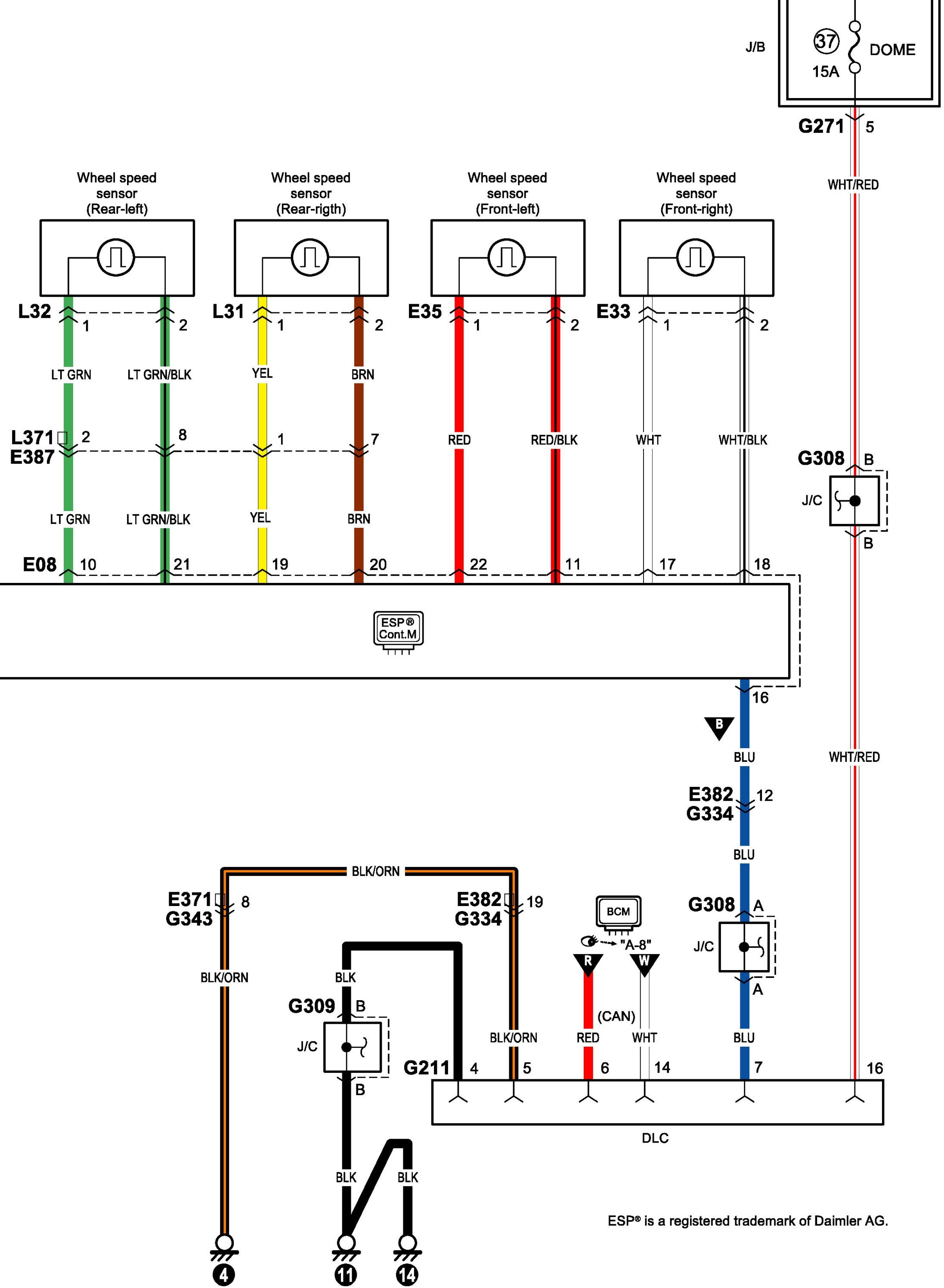
Electronic Stability Program System Circuit Diagram

Electronic Stability Program System Circuit Diagram 1:




Electronic Stability Program System Circuit Diagram 2:






Connector/Component Locations: The locations of connectors and components referred to within these diagrams can be found via the connector number at Vehicle Connector Locations. Connector Locations

Ground Locations: The locations of grounds referred to within these diagrams can be found via the ground number at Vehicle Ground Locations. Ground Locations