Curiosii for ever!
: Car repair manuals for everyone.
Home
>>
Suzuki
>>
2009
>>
SX4 2WD L4-2.0L
>>
Repair and Diagnosis
>>
Cruise Control
>>
Diagrams
>>
Electrical Diagrams
Electrical Diagrams
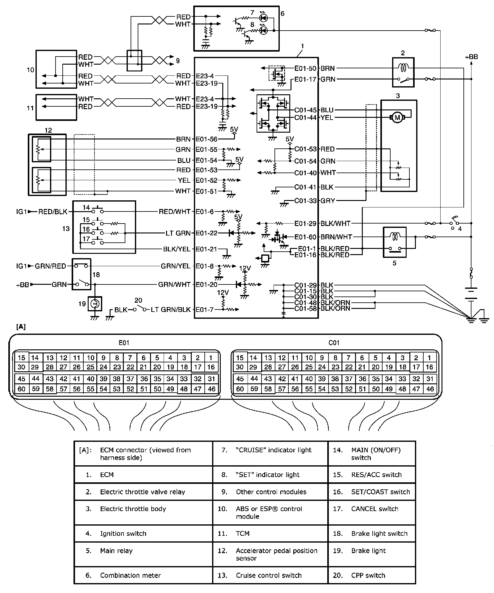
Cruise Control System Wiring Diagram: