Curiosii for ever!
: Car repair manuals for everyone.
Home
>>
Suzuki
>>
2008
>>
SX4 4WD L4-2.0L
>>
Repair and Diagnosis
>>
Diagrams
>>
Electrical Diagrams
>>
Cruise Control
Cruise Control
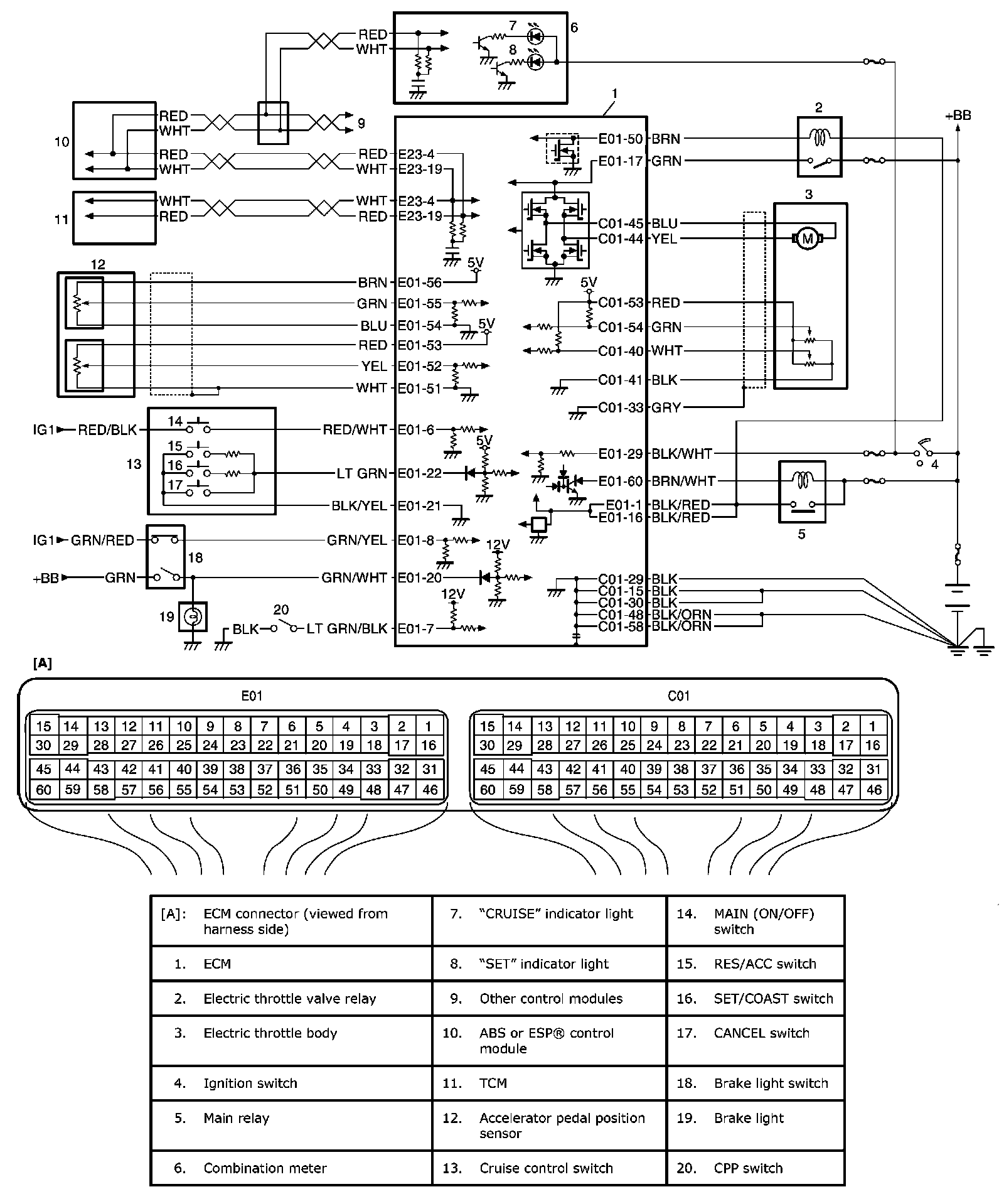
Cruise Control System Wiring Diagram: