Key Indicator Light Circuit Check (Key Indicator Light Doesn't Light When Ignition Knob Switch Is Pushed)
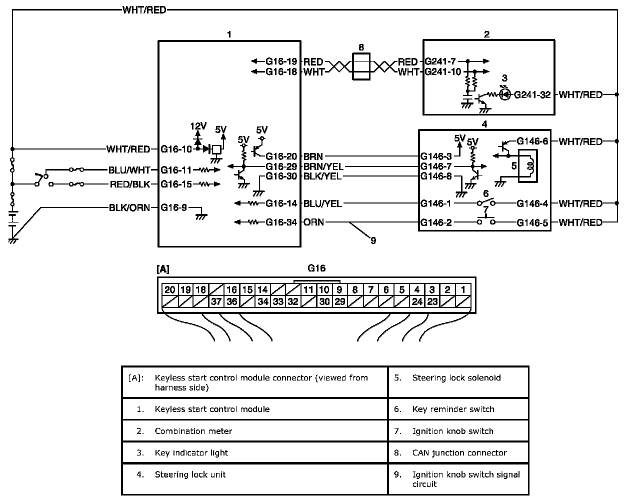
Key Indicator Light Circuit Check (Key Indicator Light Doesn't Light when Ignition Knob Switch is Pushed)Wiring Diagram
Wiring Diagram:
Description
When the ignition knob switch is pushed, the key indicator light lights up in blue if you carry the remote controller registered in the keyless start control module and it lights in red if you carry the remote controller which has not been registered in the keyless start control module or if you carry no remote controller.
Troubleshooting