Curiosii for ever!
: Car repair manuals for everyone.
Home
>>
Suzuki
>>
2008
>>
SX4 2WD L4-2.0L
>>
Repair and Diagnosis
>>
Locations
>>
Ground Locations
Ground Locations
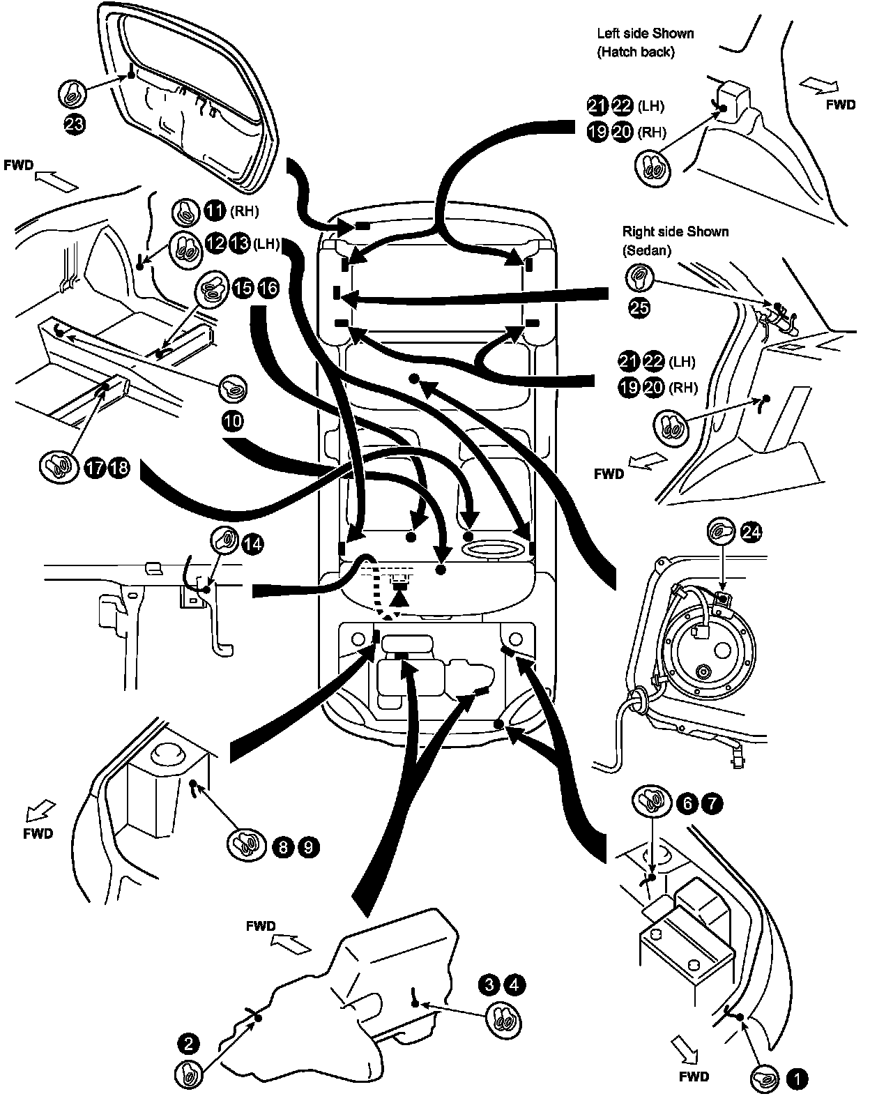
Ground (earth) Point
Reference: How to Read System Circuit Diagram
Refer to Connector Layout Diagram.
Ground (Earth) Point: