Curiosii for ever!
: Car repair manuals for everyone.
Home
>>
Suzuki
>>
2008
>>
SX4 2WD L4-2.0L
>>
Repair and Diagnosis
>>
Diagrams
>>
Electrical Diagrams
>>
Powertrain Management
>>
System Diagram
>>
System Schematic
System Schematic
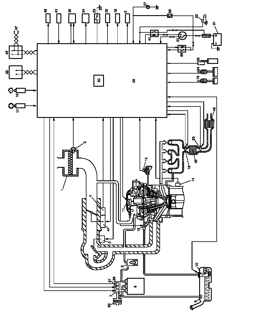
Engine And Emission Control System Diagram: