Curiosii for ever!
: Car repair manuals for everyone.
Home
>>
Suzuki
>>
2008
>>
SX4 2WD L4-2.0L
>>
Repair and Diagnosis
>>
Diagrams
>>
Electrical Diagrams
>>
Antitheft and Alarm Systems
>>
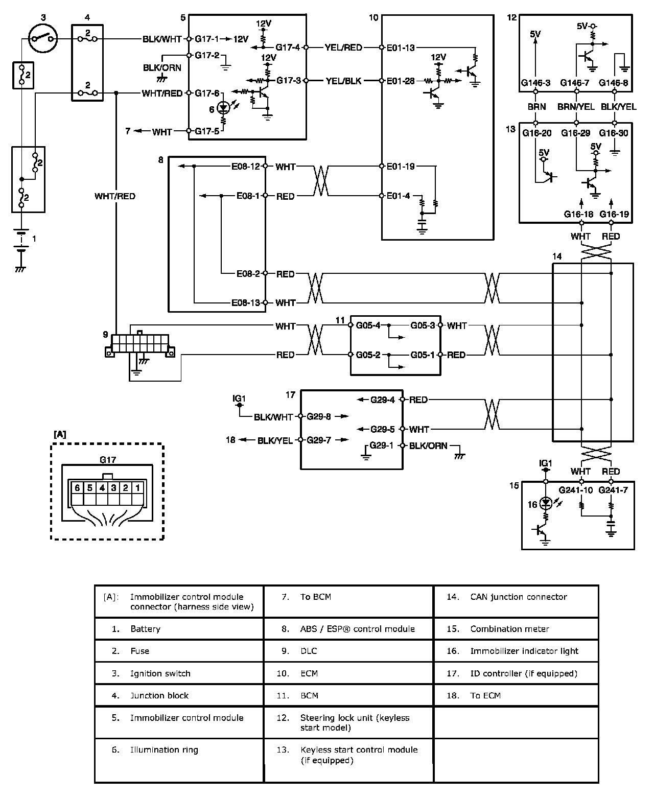
Imobilizer System Schematic Diagram
Imobilizer System Schematic Diagram
Immobilizer Control System Wiring Circuit Diagram: