Curiosii for ever!
: Car repair manuals for everyone.
Home
>>
Suzuki
>>
2008
>>
SX4 2WD L4-2.0L
>>
Repair and Diagnosis
>>
Body and Frame
>>
Body Control Systems
>>
Diagrams
>>
Electrical Diagrams
>>
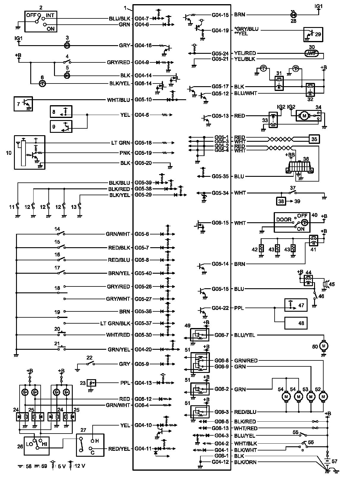
Body Control System Schematic Diagram
Body Control System Schematic Diagram
Body Electrical Control System Wiring Circuit Diagram
Reference:
BCM
General Description
Body Electrical Control System Wiring Circuit Diagram 1:
Body Electrical Control System Wiring Circuit Diagram 2: