Curiosii for ever!: Car repair manuals for everyone.

For Notchback Model

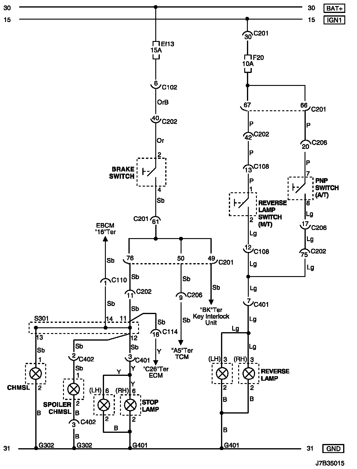
Stop Lamp, Center High Mount Stop Lamp (CHMSL) and Reverse Lamp Circuit Wiring Diagram

(For NOTCHBACK Model)

Stop Lamp, Center High Mount Stop Lamp (CHMSL) Reverse Lamp Circuit Wiring Diagram (For NOTCHBACK Model):





Connector Information

Connector Information:





Connector Identification Symbol and Pin Number Position

Connector Identification Symbol and Pin Number Position:





Position of Connectors and Grounds

Position of Connectors and Grounds - W/H Body:





Splice Pack

S301 (Notchback):