Curiosii for ever!: Car repair manuals for everyone.

Tire Monitoring System

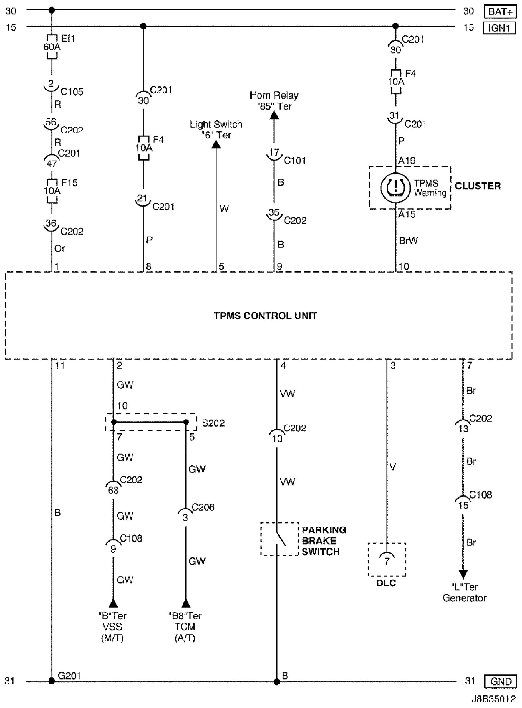
TPMS (Tire Pressure Monitoring System) Control Unit Circuit Wiring Diagram

TPMS (Tire Pressure Monitoring System) Control Unit Circuit Wiring Diagram:





Connector Information

Connector Information:





Connector Identification Symbol and Pin Number Position

Connector Identification Symbol and Pin Number Position:





Position of Connectors and Grounds

Position of Connectors and Grounds - W/H Body:





Splice Pack

S202: